EasyManua.ls Logo

Shivaki SSH-I074BE - Wiring Diagram; Outdoor Unit

Shivaki SSH-I074BE
100 pages
Print Icon
To Next Page IconTo Next Page
To Next Page IconTo Next Page
To Previous Page IconTo Previous Page
To Previous Page IconTo Previous Page
Loading...
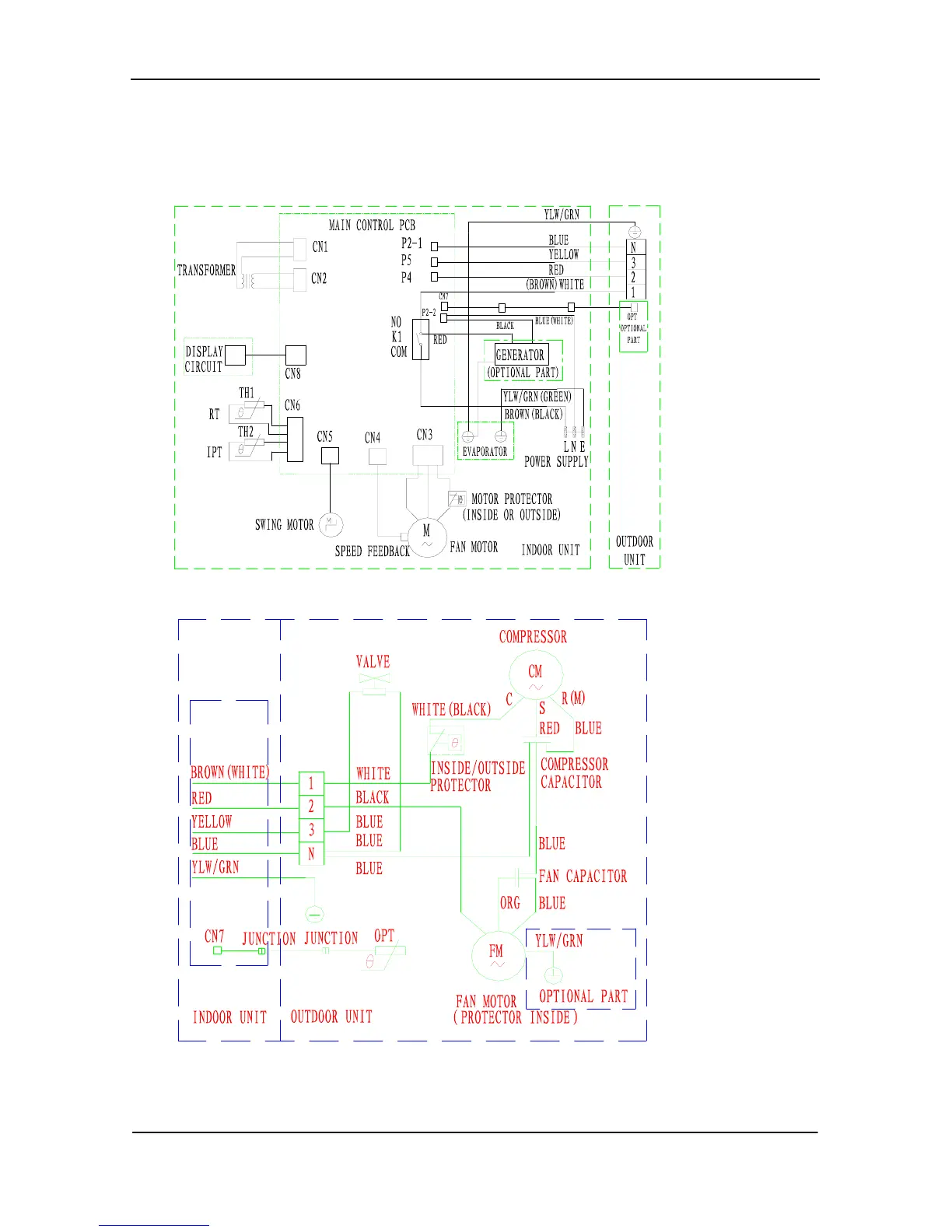
Air Conditioner Service Manual
WIRING DIAGRAM
MODEL:SSH-I074BE,SSH-I094BE,SSH-I124BE
INDOOR UNIT:
OUTDOOR UNIT
21

Related product manuals