EasyManua.ls Logo

Shure SE30 - Page 10

Shure SE30
32 pages
Print Icon
To Next Page IconTo Next Page
To Next Page IconTo Next Page
To Previous Page IconTo Previous Page
To Previous Page IconTo Previous Page
Loading...
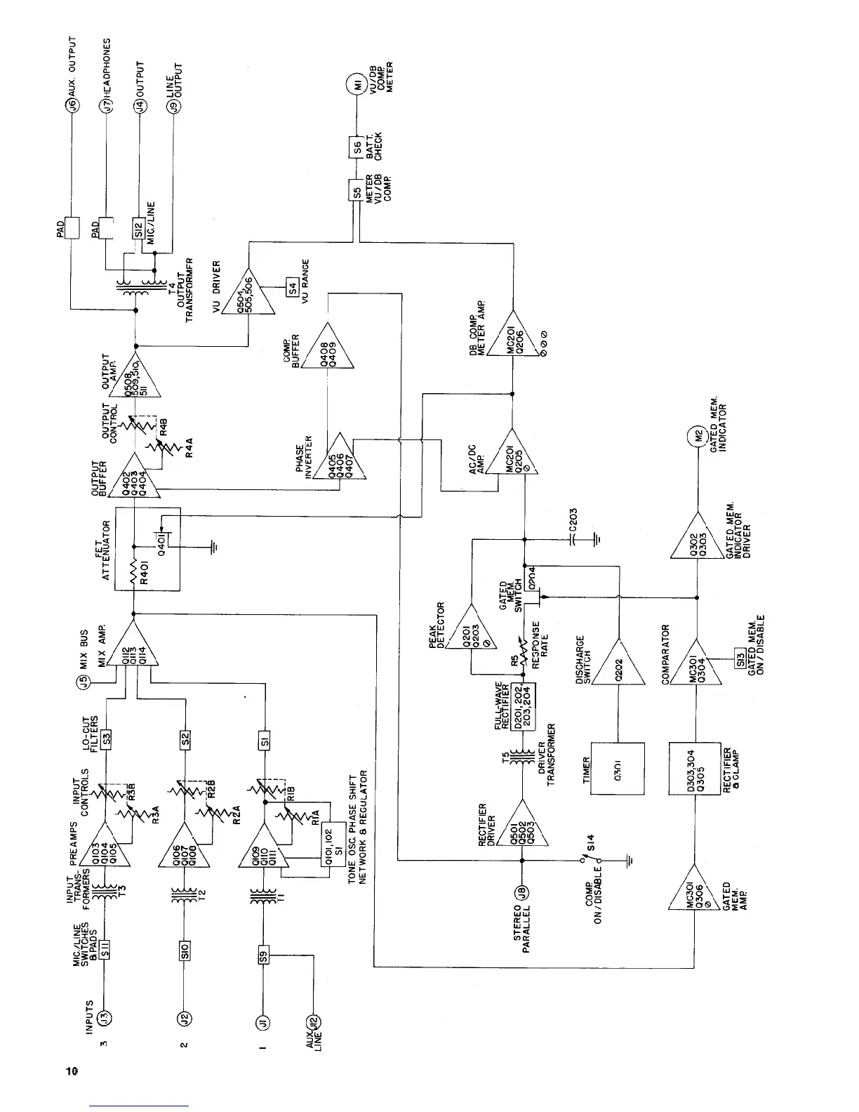
FUNCTIONAL BLOCK DIAGRAM - FIGURE 3

Related product manuals