EasyManua.ls Logo

Shure SE30 - Page 12

Shure SE30
32 pages
Print Icon
To Next Page IconTo Next Page
To Next Page IconTo Next Page
To Previous Page IconTo Previous Page
To Previous Page IconTo Previous Page
Loading...
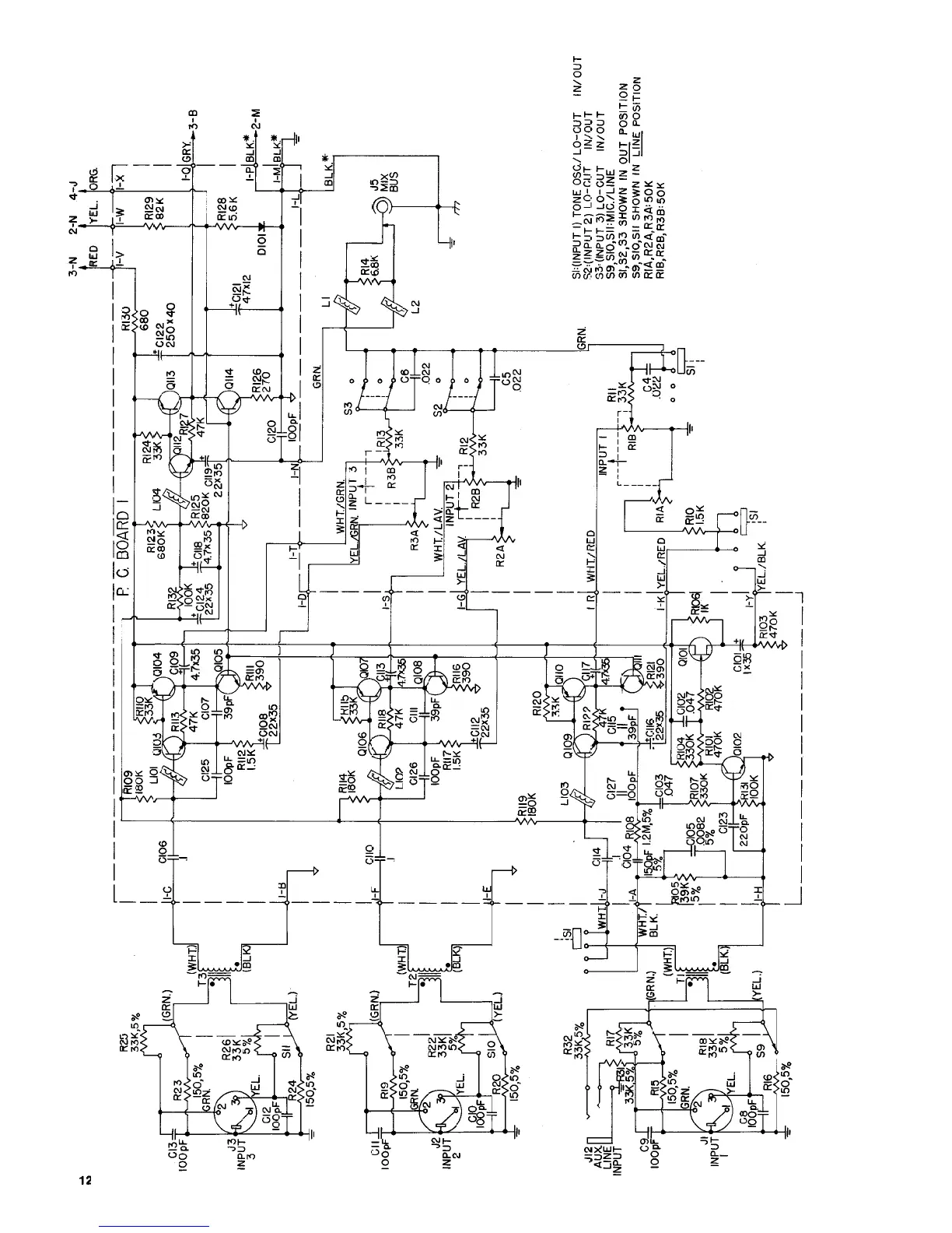
SCHEMATIC DIAGRAM - FIGURE 4A

Related product manuals