EasyManua.ls Logo

Side-Power RC-21E - Output Signals Diagram

Default Icon
20 pages
Print Icon
To Next Page IconTo Next Page
To Next Page IconTo Next Page
To Previous Page IconTo Previous Page
To Previous Page IconTo Previous Page
Loading...
Installation & User Manual, Radio Remote rev 1_0_4 Page 14
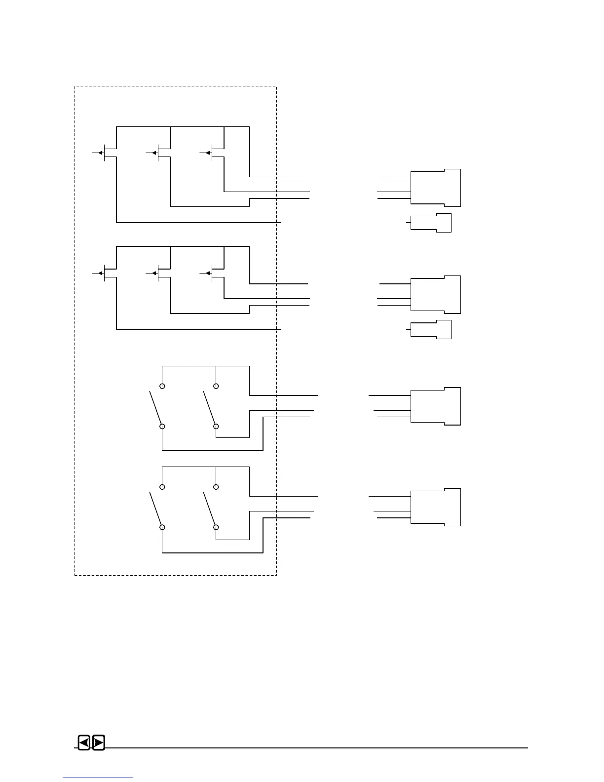
Output signals diagram
RED Thruster Positive
BLUE Thruster STBD
GREY Thruster PORT
YELLOW Automatic Mainswitch Enable
RED - COMMON
BLUE Windlass IN
GREY Windlass O UT
RED Thruster Positive
BLUE Thruster STBD
GREY Thruster PORT
YELLOW Automatic Mainswitch Enable
RED - COMMON
BLUE Windlass IN
GREY Windlass O UT
Thruster Bow
Th ruster Stern
Windlass Bow
Windlass Stern

Related product manuals