EasyManua.ls Logo

Siemens 7UT512

Siemens 7UT512
248 pages
To Next Page IconTo Next Page
To Next Page IconTo Next Page
To Previous Page IconTo Previous Page
To Previous Page IconTo Previous Page
Loading...
0HWKRG RI RSHUDWLRQ87
9

&*&
,I D WULS FRPPDQG KDV QRW EHHQ LQLWLDWHG WKH IDXOW LV
FRQVLGHUHG WR EH RYHU ,I D WULS FRPPDQG KDV EHHQ
IRUPHG WKHQ D WLPHU RI VHWWDEOH GXUDWLRQ FDQ EH
VWDUWHG XSRQ UHVHW RI SLFNXS 'XULQJ WKLV WLPH WKH
WULS FRPPDQG LV KHOG LQ UHVHW WLPH GHOD\
,
6
7
$
%
!
,
'
,
)
)
!
&
K
D
U
D
F
W
H
U
L
V
W
L
F
6
D
W
X
U
D
W
L
R
Q
V
W
D
E
L
O
L
]
D
W
L
R
Q
I
X
U
W
K
H
U
S
K
D
V
H
V
I
X
U
W
K
H
U
S
K
D
V
H
V
I
X
U
W
K
H
U
S
K
D
V
H
V
'LII *HQ )OW
'LII! 7 VWDUW 'LII! 7ULS
'LII 7ULS /
7
'
(
/
$
<
'LII! /
7
'
(
/
$
<
%ORFN 6DW /
I
X
U
W
K
H
U
S
K
D
V
H
V
B
!
'LII *HQ7ULS
7
5
(
6
(
7
7ULSSLQJ
PDWUL[
%ORFN
WULSSLQJ
$QQXQFLDWLRQ
B
!
B
!
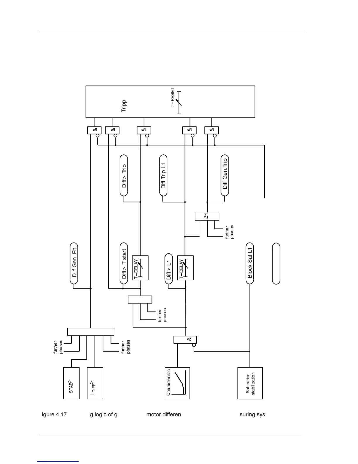
)LJXUH  7ULSSLQJ ORJLF RI JHQHUDWRU RU PRWRU GLIIHUHQWLDO SURWHFWLRQ RQH PHDVXULQJ V\VWHP
VFKHPH
www . ElectricalPartManuals . com

Related product manuals