EasyManua.ls Logo

Siemens CPU 314C-2 PtP - Page 145

Siemens CPU 314C-2 PtP
252 pages
Print Icon
To Next Page IconTo Next Page
To Next Page IconTo Next Page
To Previous Page IconTo Previous Page
To Previous Page IconTo Previous Page
Loading...
Technical data of CPU 31xC
6.6 Technical data of the integrated I/O
CPU 31xC and CPU 31x, Technical Data
Manual, 01/2006 Edition, A5E00105475-06
6-33
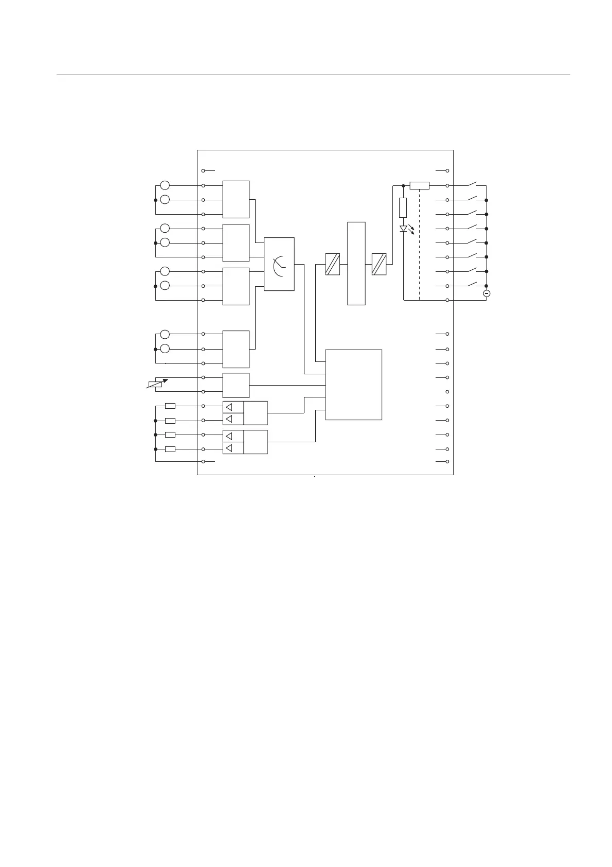
Block diagram of integrated digital/analog I/O of CPUs 313C/314C-2
&38LQWHUIDFH
&RQWUROOHU































$,
0
$,
$,$ ',
$,
$,
$,
$
$
$,
&+
&+
&+
&+
&+
&+
37
8
8
,
,
$,
$,
$
9
$
9
$
9
$,
$
9
$,
5
$2
$2
0
$1$
9
$
9
$
Simultaneous usage of technological functions and standard I/O
Technological functions and standard I/O can be used simultaneously with appropriate
hardware. For example, you can use all digital inputs not used for counting functions as
standard DI.
Read access to inputs used by technological functions is possible. Write access to outputs
used by technological functions is not possible.
See also
CPU 312C (Page 6-3)
CPU 313C (Page 6-8)
CPU 313C-2 PtP and CPU 313C-2 DP (Page 6-14)
CPU 314C-2 PtP and CPU 314C-2 DP (Page 6-21)

Table of Contents

Other manuals for Siemens CPU 314C-2 PtP

Related product manuals