EasyManua.ls Logo

Signode PN2-114 - Page 13

Signode PN2-114
20 pages
Print Icon
To Next Page IconTo Next Page
To Next Page IconTo Next Page
To Previous Page IconTo Previous Page
To Previous Page IconTo Previous Page
Loading...
13
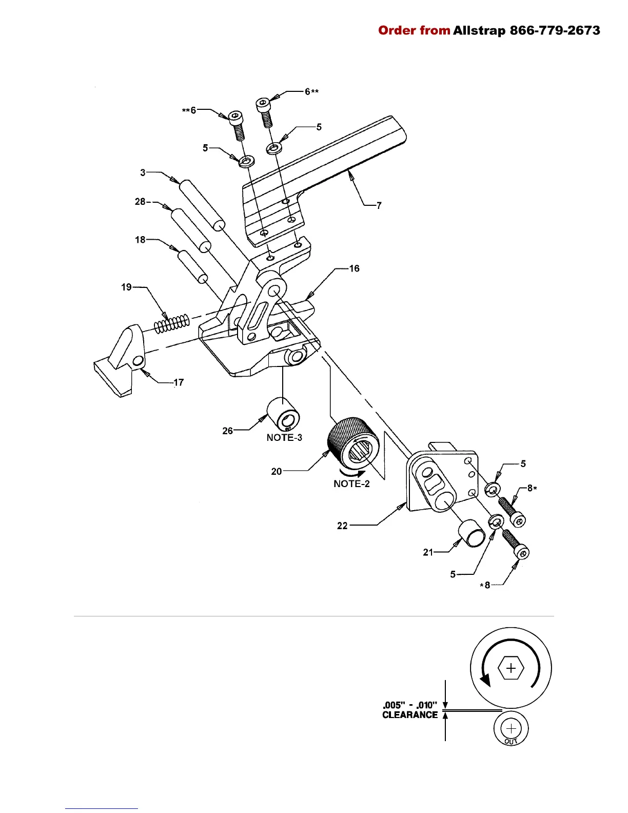
FEEDWHEEL TO ROLLER CLEARANCE:
T
he feedwheel (Key 20) to roller (Key 26) clearance is set by
turning the set screw (Key 10) until there is a .005" - .010"
clearance to be established between the two parts.
NOTE: The feedwheel and roller
should note come together.

Related product manuals