EasyManua.ls Logo

Sim2 CRYSTAL4-SH - Projector Dimensions

Sim2 CRYSTAL4-SH
64 pages
Print Icon
To Next Page IconTo Next Page
To Next Page IconTo Next Page
To Previous Page IconTo Previous Page
To Previous Page IconTo Previous Page
Loading...
CRYSTAL4-SH
User Guide
61
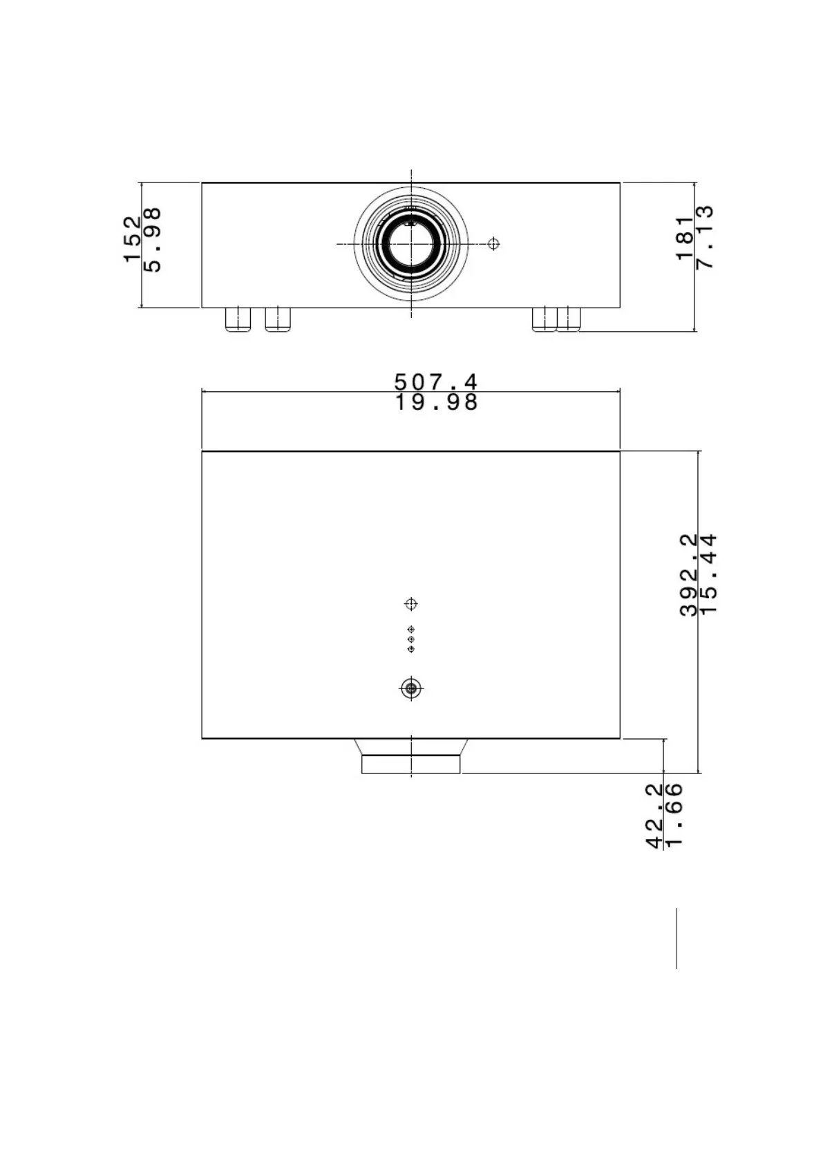
10 Dimensions
CRYSTAL4-SH dimensions in millimeters and inches.

Related product manuals