EasyManua.ls Logo

SIMAG SD 40 - Wiring Diagram - SD 125-210; Electrical Schematic

Default Icon
39 pages
Print Icon
To Next Page IconTo Next Page
To Next Page IconTo Next Page
To Previous Page IconTo Previous Page
To Previous Page IconTo Previous Page
Loading...
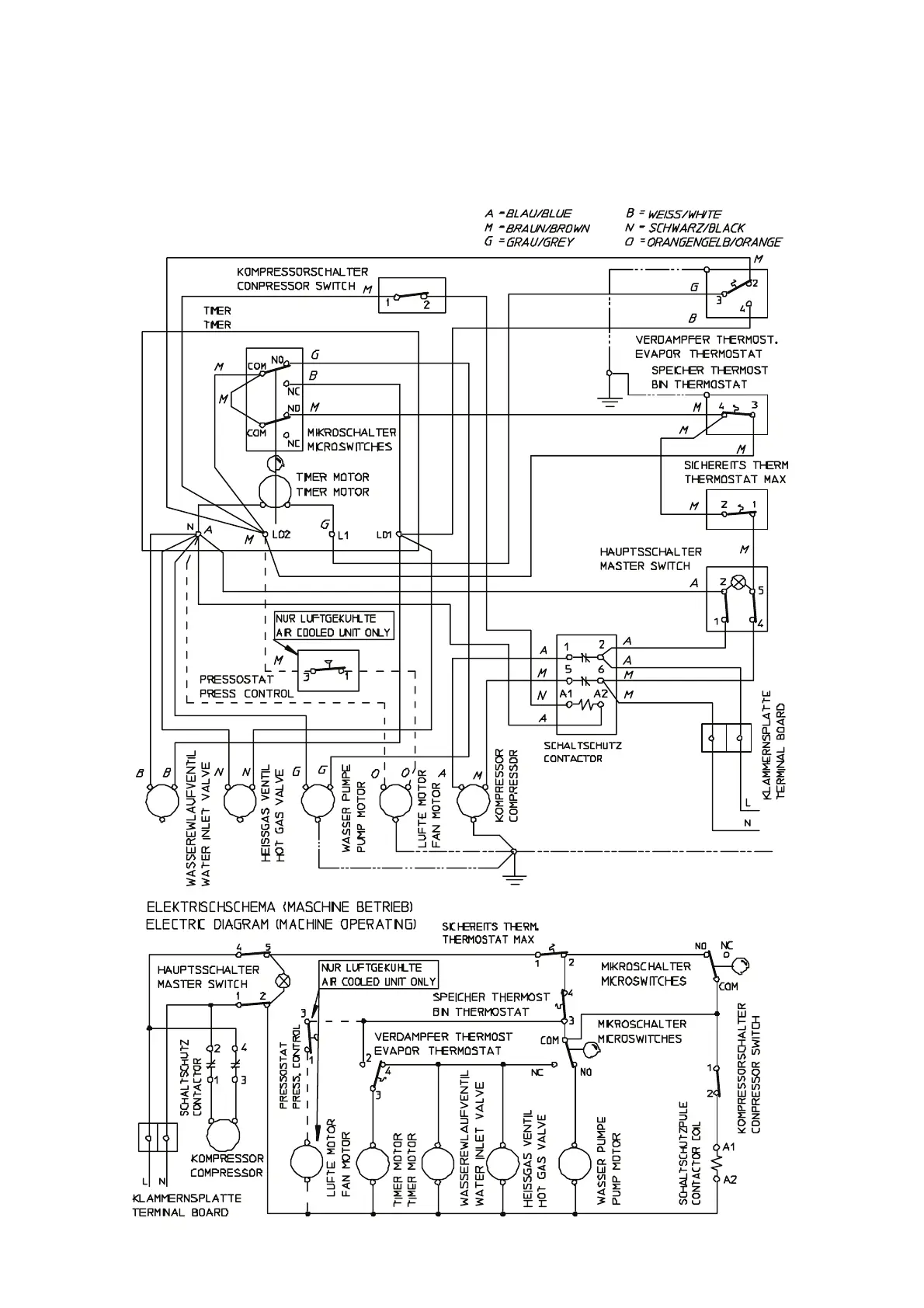
WIRING DIAGRAM - SCHALTUNGSSCHEMA
230/50/1
AIR & WATER COOLED - LUFT UND WASSERGEKÜHLT
SD 125 - SD 210
L

Related product manuals