EasyManua.ls Logo

SIMAG SD 40 - Wiring Diagram - SD 60 Air Cooled

Default Icon
39 pages
Print Icon
To Next Page IconTo Next Page
To Next Page IconTo Next Page
To Previous Page IconTo Previous Page
To Previous Page IconTo Previous Page
Loading...
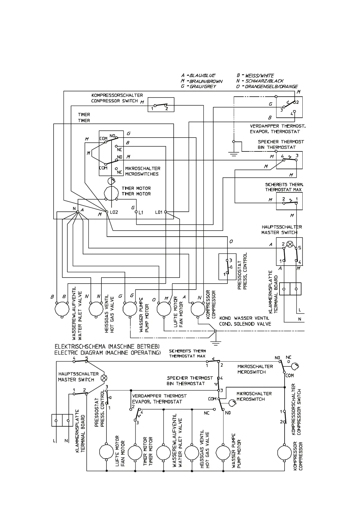
WIRING DIAGRAM - SCHALTUNGSSCHEMA
230/50/1
AIR COOLED - LUFTGEKÜHLT
SD 60
G

Related product manuals