EasyManua.ls Logo

Sime MURELLE EV - Murelle EV 25-30 OF Electrical Diagram

Sime MURELLE EV
Print Icon
To Next Page IconTo Next Page
To Next Page IconTo Next Page
To Previous Page IconTo Previous Page
To Previous Page IconTo Previous Page
Loading...
57
EN
TF (24 VRAC)
FLM (5 VDC)
SM (5 VDC)
SS (5 VDC)
SE (5 VDC)
TS (24 VRAC)
ST (5 VDC)
TA2 (24 VRAC)
TA1 (24 VRAC)
EXP (24 VRAC)
OP (24 VAC)
M (17 VDC)
TPA (5 VDC)
Cod. 6301407D
BIANCO - WHITE
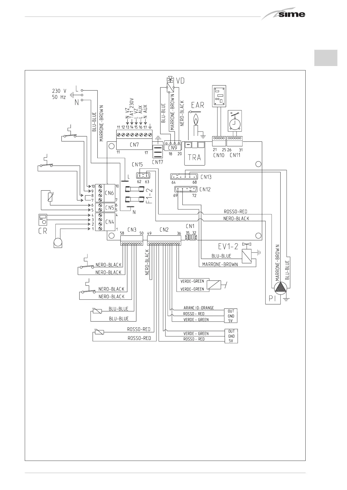
2.12 BOILER ELECTRICAL DIAGRAM
2.12.1 Murelle EV 25 - 30 OF (fig. 13)
KEY
F1-2 Fuse (4 AT)
TRA Ignition transformer
Pl System pump
EAR Ignition/detection electrode
EV1-2 Gas valve coil
TS Safety thermostat
TF Fumes thermostat
VD Deviator valve
M Modulator
SM Heating sensor
SS D.H.W sensor
TPA Pressure transducer
FLM D.H.W. flowmeter
TA 1 Zone 1 environment thermostat
TA 2 Zone 2 environment thermostat
ST Solar heat sensor
CR Remote control SIME HOME (optional)
SE External sensor (optional)
OP Programming clock (optional)
EXP Expansion card
VZ Zone valve
AUX Auxiliary connection
NOTE: Connect TA1 to the clamps 7-8 after
having removed the bridge.
CONNECTOR SPARE PART CODES:
CN2 code 6316287
CN3 code 6299998
CN6 code 6316202
CN9 code 6316274
CN12 code 6299991
CN13/15 code 6316273
Fig. 13

Related product manuals