EasyManua.ls Logo

Simplicity 1694769 - Deck Leveling Adjustment

Simplicity 1694769
56 pages
Print Icon
To Next Page IconTo Next Page
To Next Page IconTo Next Page
To Previous Page IconTo Previous Page
To Previous Page IconTo Previous Page
Loading...
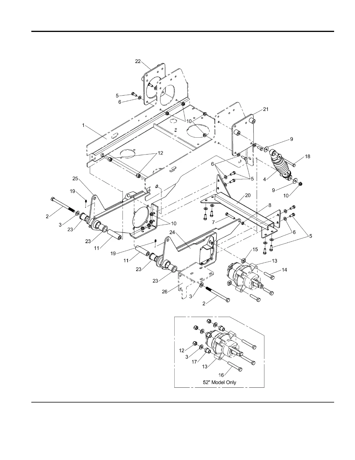
Rear Suspension Group
NOTE: Unless noted otherwise,
use the standard hardware torque
specification chart.
197susr0
The above parts group applies to the following Mfg. Nos.:
2005
32
© Copyright Simplicity Manufacturing, Inc. All Rights Reserved.
1694768 - Citation
1694769 - Citation
TP 400-4197-00-CI-S

Other manuals for Simplicity 1694769

Related product manuals