EasyManua.ls Logo

Simplicity 1694769 - 48 & 52 Mower Deck - Housing, Cover, Spindle & Blade

Simplicity 1694769
56 pages
Print Icon
To Next Page IconTo Next Page
To Next Page IconTo Next Page
To Previous Page IconTo Previous Page
To Previous Page IconTo Previous Page
Loading...
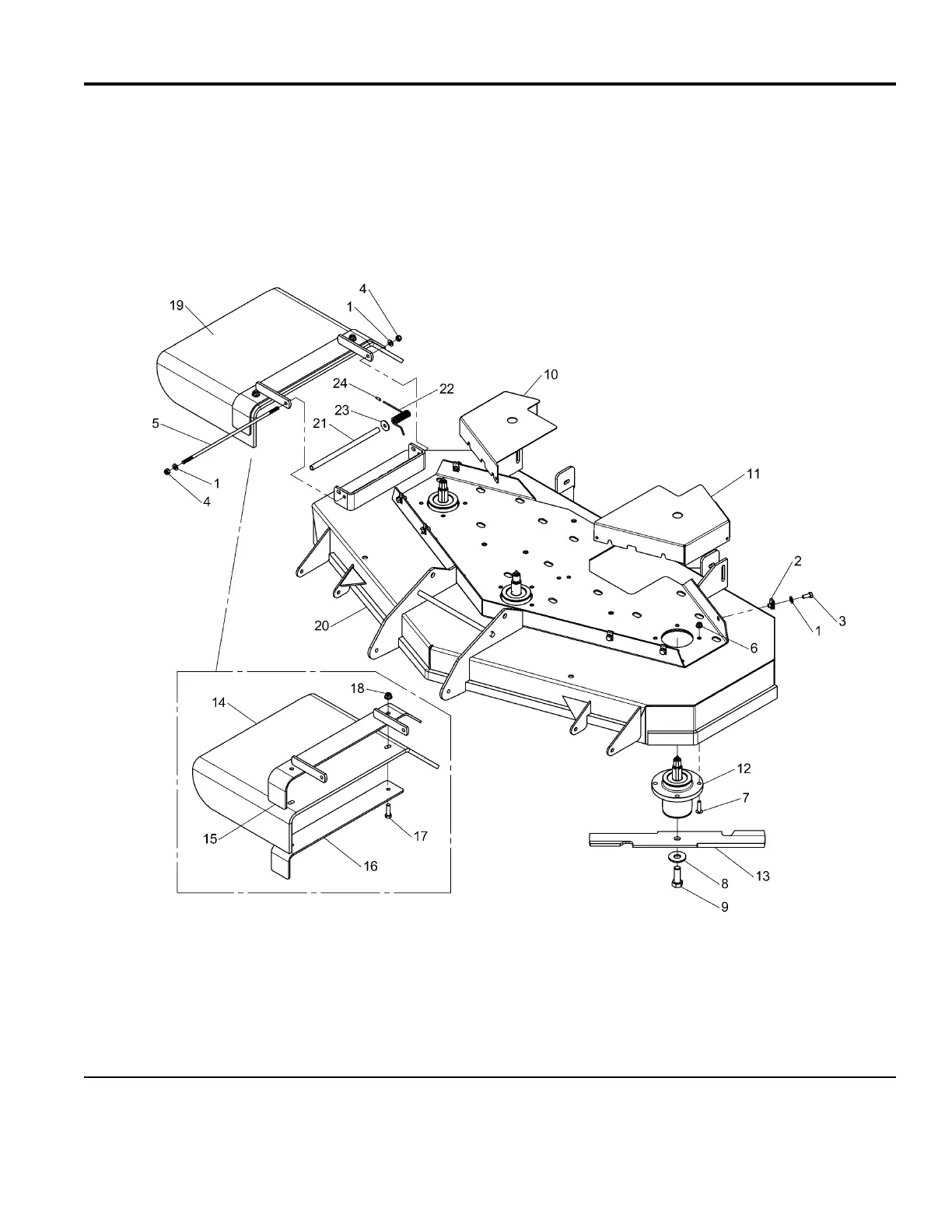
48" & 52" Mower Deck - Housing, Cover, Spindle & Blade
NOTE: Unless noted otherwise,
use the standard hardware torque
specification chart.
1975hc0
The above parts group applies to the following Mfg. Nos.:
2005
46
© Copyright Simplicity Manufacturing, Inc. All Rights Reserved.
1694770 - 48" Mower
1694771 - 52" Mower
TP 400-4197-00-CI-S

Other manuals for Simplicity 1694769

Related product manuals