EasyManua.ls Logo

Simplicity 1733092 - 48 & 52 Mower Deck - Pulleys, Belts & Idler Arm

Simplicity 1733092
66 pages
Print Icon
To Next Page IconTo Next Page
To Next Page IconTo Next Page
To Previous Page IconTo Previous Page
To Previous Page IconTo Previous Page
Loading...
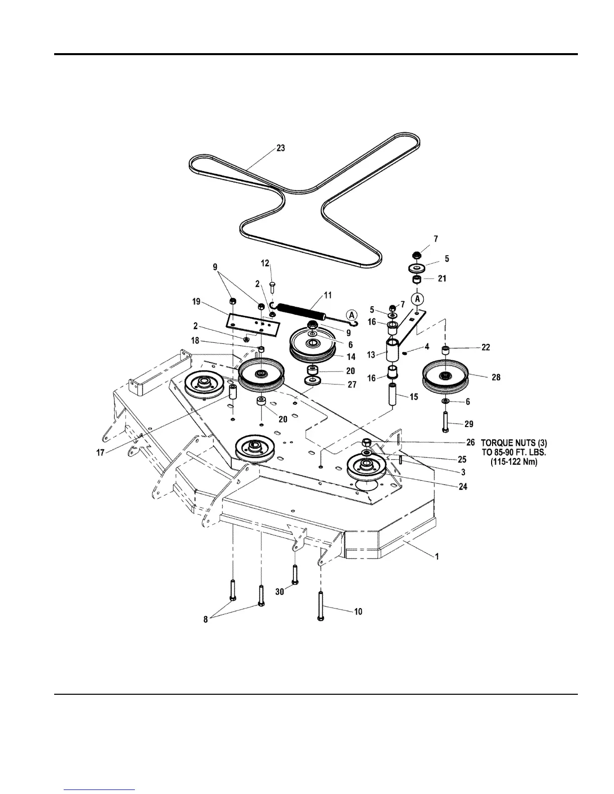
48" & 52" Mower Deck - Pulleys, Belts & Idler Arm
NOTE: Unless noted otherwise,
use the standard hardware torque
specification chart.
2875pb0
The above parts group applies to the following Mfg. Nos.:
58
2008Copyright © by Briggs and Stratton Corporation
Briggs and Stratton Yard Power Products Group
Milwaukee, WI, USA. All rights reserved
2690444 - Citation
2690445 - Citation
TP 400-7287-S-CI-S

Related product manuals