EasyManua.ls Logo

Simplicity BROADMOOR 1600 - Lift Group - Manual Lift with Cruise Control

Simplicity BROADMOOR 1600
68 pages
Print Icon
To Next Page IconTo Next Page
To Next Page IconTo Next Page
To Previous Page IconTo Previous Page
To Previous Page IconTo Previous Page
Loading...
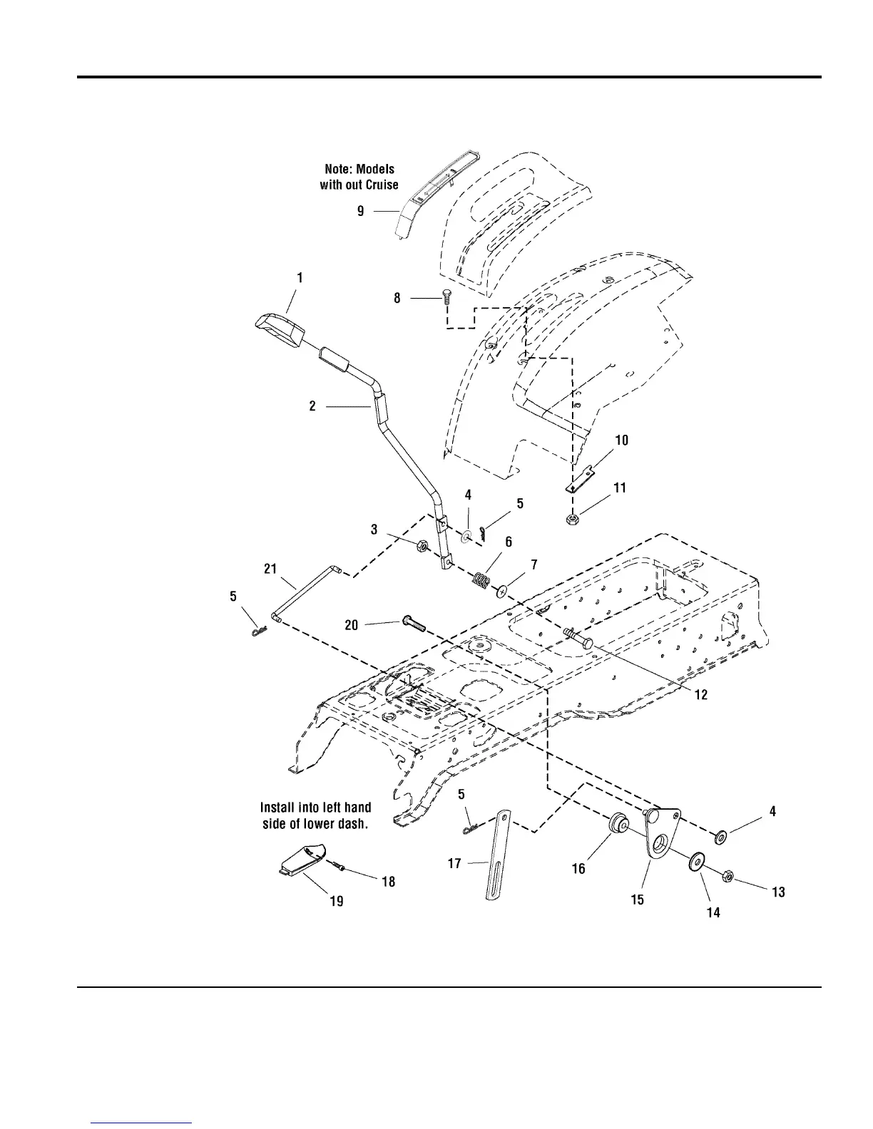
Lift Group - Manual Lift with Cruise Control
NOTE: Unless noted otherwise,
use the standard hardware torque
specification chart.
986780
The above parts group applies to the following Mfg. Nos.:
2007
32
© Copyright Simplicity Manufacturing, Inc. All Rights Reserved.
1694630 - Broadmoor
1694633 - 1620H
1694682 - Broadmoor
1695221 - Broadmoor
2690756 - Broadmoor
2690757 - Broadmoor
2690758 - 1620HP
2690760 - Broadmoor
TP 400-4806-00-BM-SA

Related product manuals