EasyManua.ls Logo

Simu SIMUDRIVE 250 - Page 3

Simu SIMUDRIVE 250
4 pages
Print Icon
To Next Page IconTo Next Page
To Next Page IconTo Next Page
To Previous Page IconTo Previous Page
To Previous Page IconTo Previous Page
Loading...
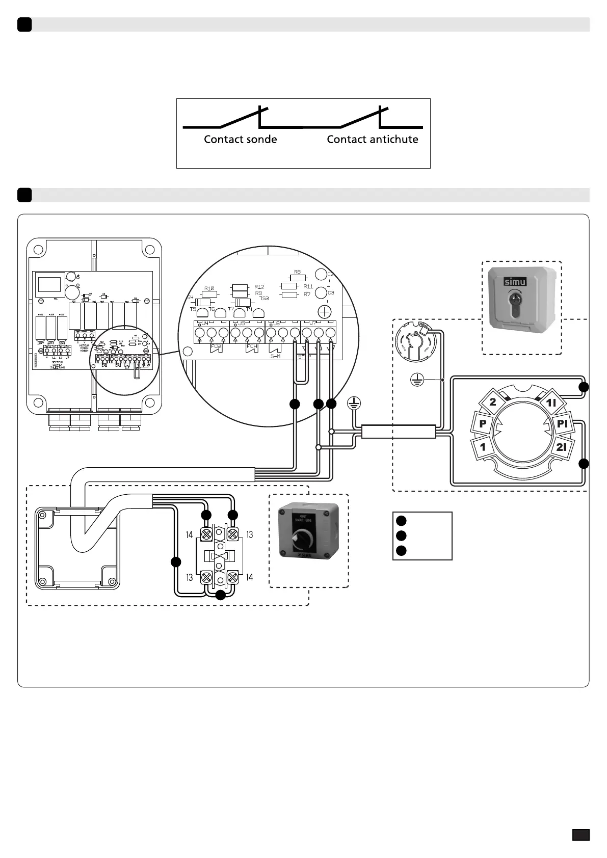
Si vous utilisez un antichute pourvu d’un contact
électrique, le mettre en série avec le contact de la sonde
thermique.
If you use a satefy brake with a switch, connect it in
series with the thermical probe.
Inverseur à clé
2004964
Boîte à bouton tournant
instable 2001558
M
M
N1
N1
N1
N2
N2
N
2
M
M
N1
N2
MARRON
NOIR 1
NOIR 2
3/4
Câblage des sécurités - Safeties wiring
4
Câblage de différents points de commande - Wiring control points
5