DC Inverter UNI SPLIT Series
Duct
Type Unit
20
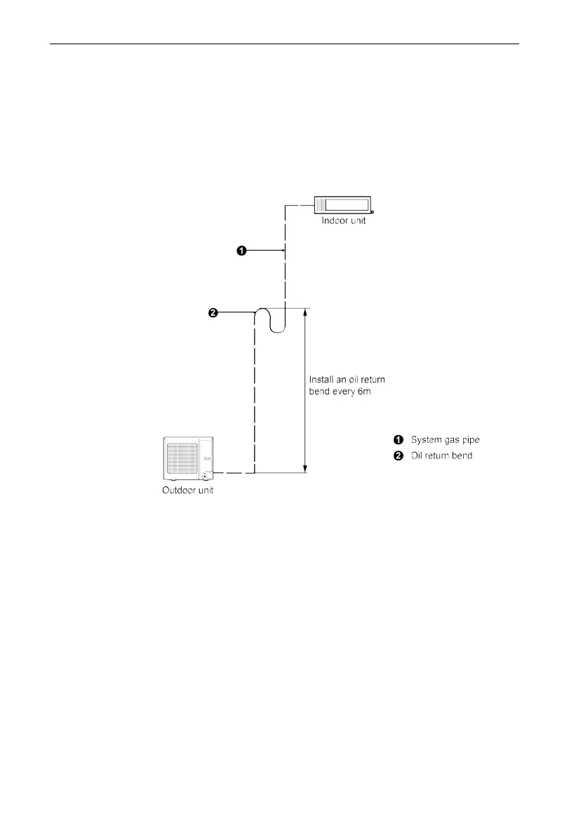
When the drop between indoor and outdoor units is larger than 10m, an oil
return bend should be added every 6m.
The requirement on the adding of oil return bend is as below:
(1) Outdoor unit is beneath the indoor unit.
There’s no need to add non-return bend at the lowest or highest position of the
vertical pipe, as shown below:
(2) Outdoor unit is above the indoor unit.
It’s necessary to add oil return bend and non-return bend at the lowest and
highest position of the vertical pipe, as shown below: