EasyManua.ls Logo

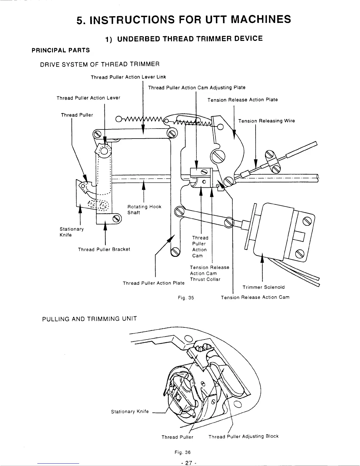
Singer 1591D300G - 5. INSTRUCTIONS FOR UTT MACHINES; 1) UNDERBED THREAD TRIMMER DEVICE

Singer 1591D300G
40 pages
Print Icon
To Next Page IconTo Next Page
To Next Page IconTo Next Page
To Previous Page IconTo Previous Page
To Previous Page IconTo Previous Page
Loading...

Table of Contents

Related product manuals