EasyManua.ls Logo

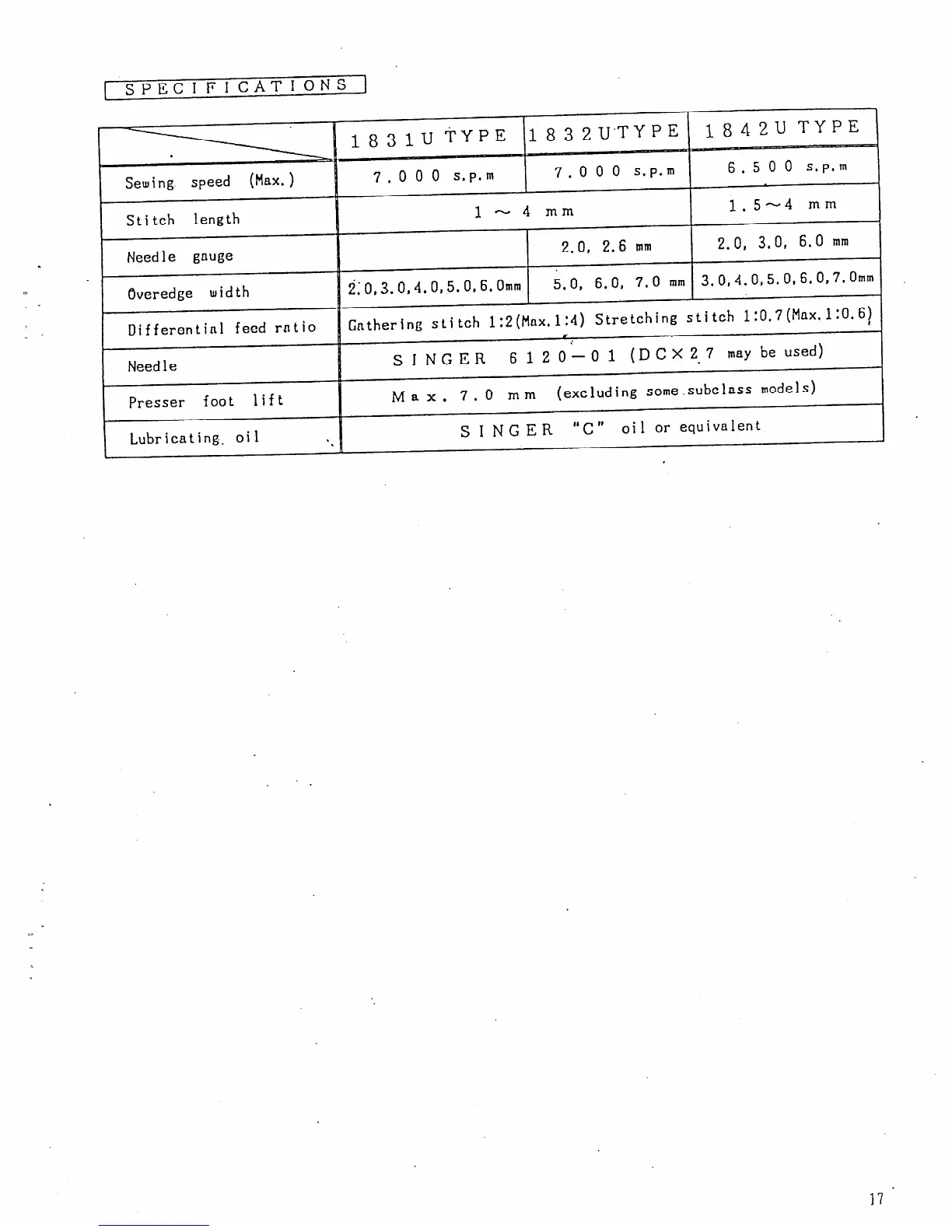
Singer 1831U - Specifications

Singer 1831U
20 pages
Print Icon
To Next Page IconTo Next Page
To Next Page IconTo Next Page
To Previous Page IconTo Previous Page
To Previous Page IconTo Previous Page
Loading...

Other manuals for Singer 1831U

Related product manuals