EasyManua.ls Logo

Singer 7446 - Page 38

Singer 7446
40 pages
Print Icon
To Next Page IconTo Next Page
To Next Page IconTo Next Page
To Previous Page IconTo Previous Page
To Previous Page IconTo Previous Page
Loading...
- 38 -
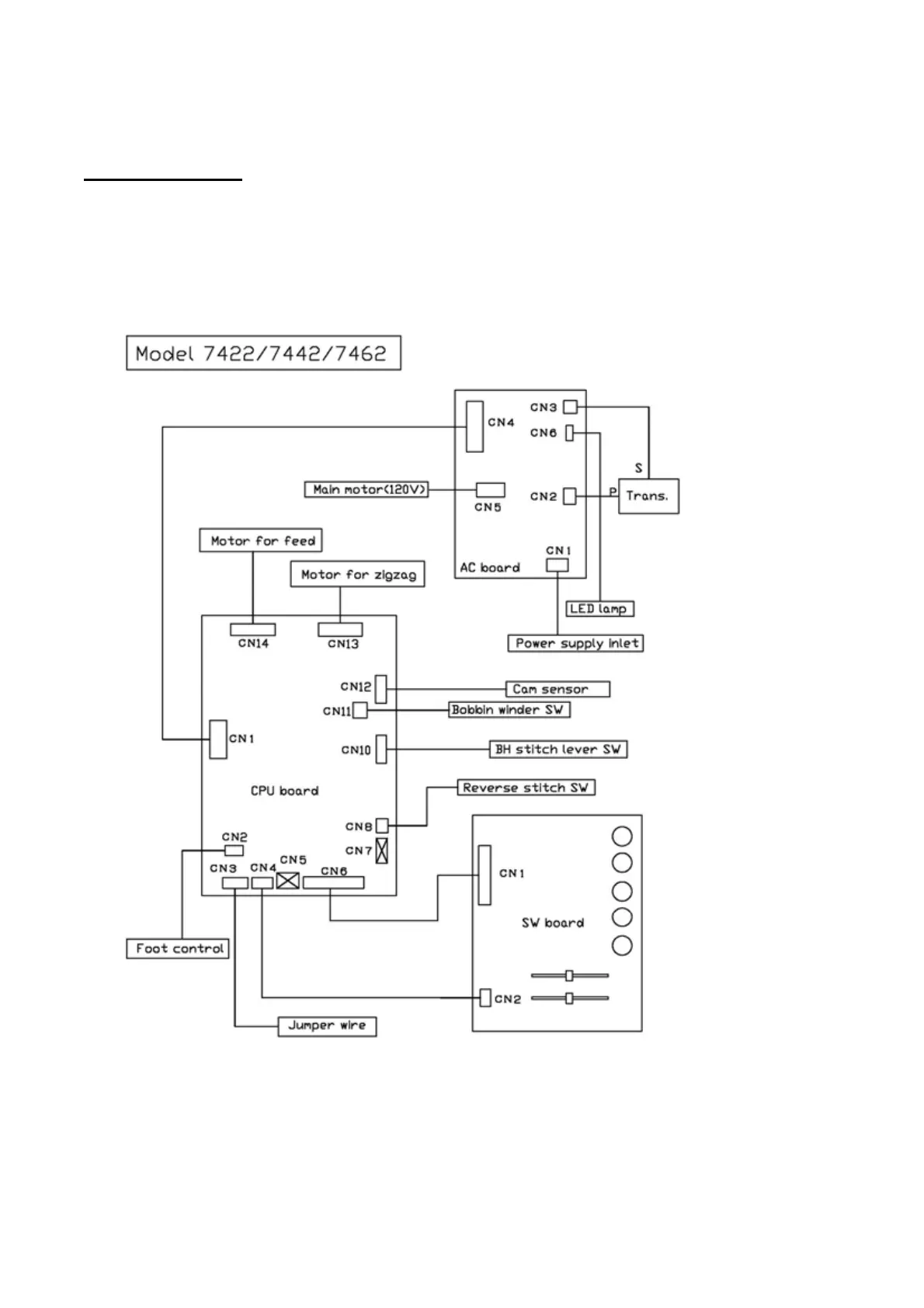
Wiring diagram

Related product manuals