EasyManua.ls Logo

Ski-Doo MX Z 440 - Page 83

Ski-Doo MX Z 440
356 pages
Print Icon
To Next Page IconTo Next Page
To Next Page IconTo Next Page
To Previous Page IconTo Previous Page
To Previous Page IconTo Previous Page
Loading...
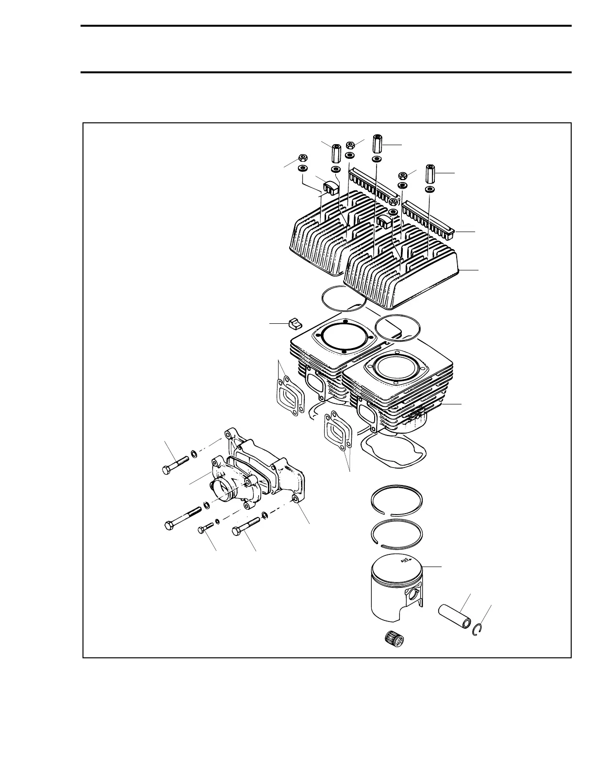
Section 04 ENGINE
Sub-Section 01 (503 ENGINE TYPE)
04-01-3
TOP END
A22C0GS
2
22 N•m
(16 lbf•ft)
2
22 N•m
(16 lbf•ft)
1
1
2
22 N•m
(16 lbf•ft)
1
3
4
5
6
7
8
15
16
17
11
9
12
10
9
22 N•m
(16 lbf•ft)
22 N•m
(16 lbf•ft)
8

Related product manuals