EasyManua.ls Logo

Skyjack 4632 - Page 181

Skyjack 4632
207 pages
Print Icon
To Next Page IconTo Next Page
To Next Page IconTo Next Page
To Previous Page IconTo Previous Page
To Previous Page IconTo Previous Page
Loading...
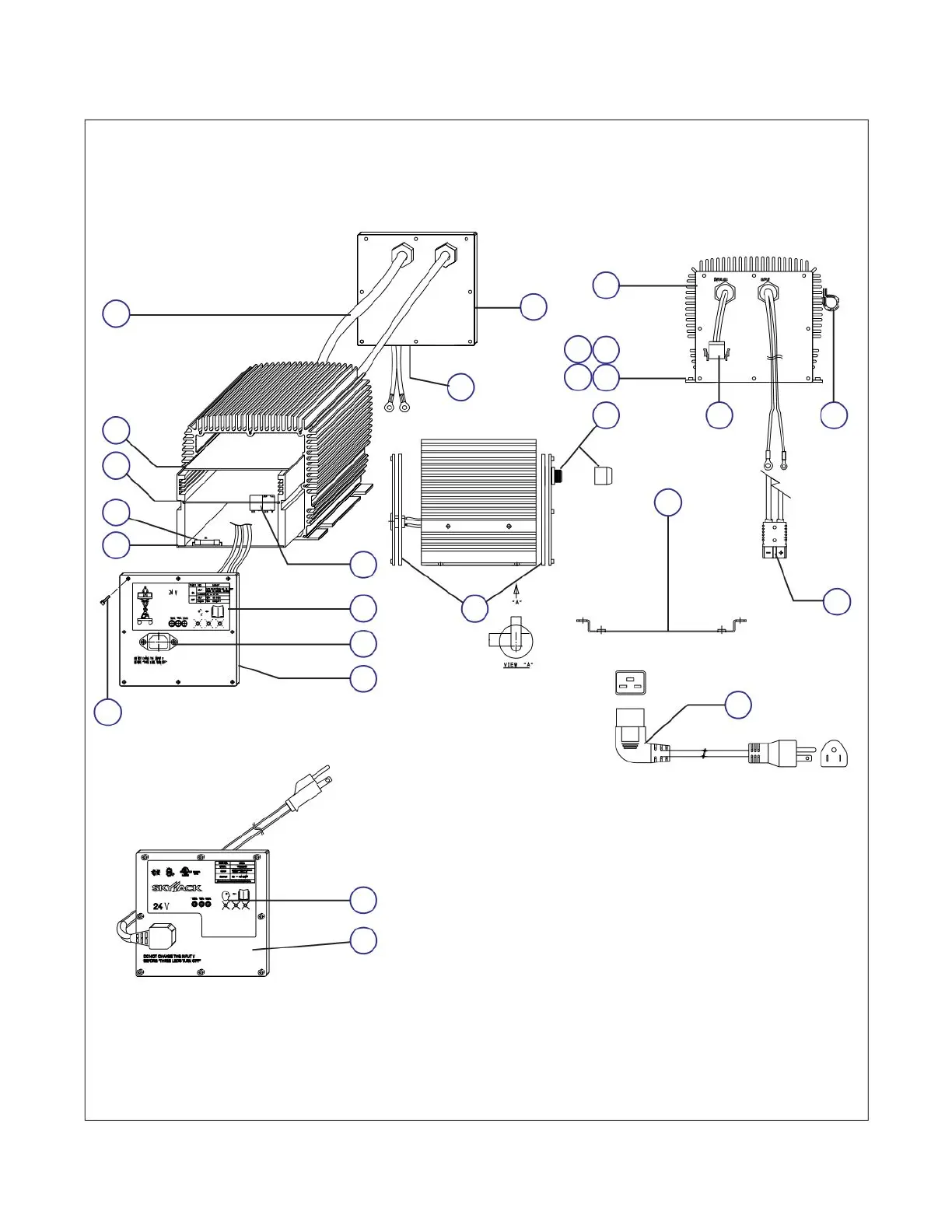
SECTION 6, Page 100
SJIII Series - The Conventionals 129919
Figure 6.5-3. Battery Charger Assembly
3
1
4
5
8
2
7
9
13
11
10
14
12
25
18
17
23
22
21
20
19
10493AF
24
15
16
6
3
AI

Related product manuals