EasyManua.ls Logo

Skyjack 4632 - Page 42

Skyjack 4632
207 pages
Print Icon
To Next Page IconTo Next Page
To Next Page IconTo Next Page
To Previous Page IconTo Previous Page
To Previous Page IconTo Previous Page
Loading...
SECTION 3, Page 10 SJIII Series - The Conventionals 129919
A B C D E F G H
V
Z
Y
X
W
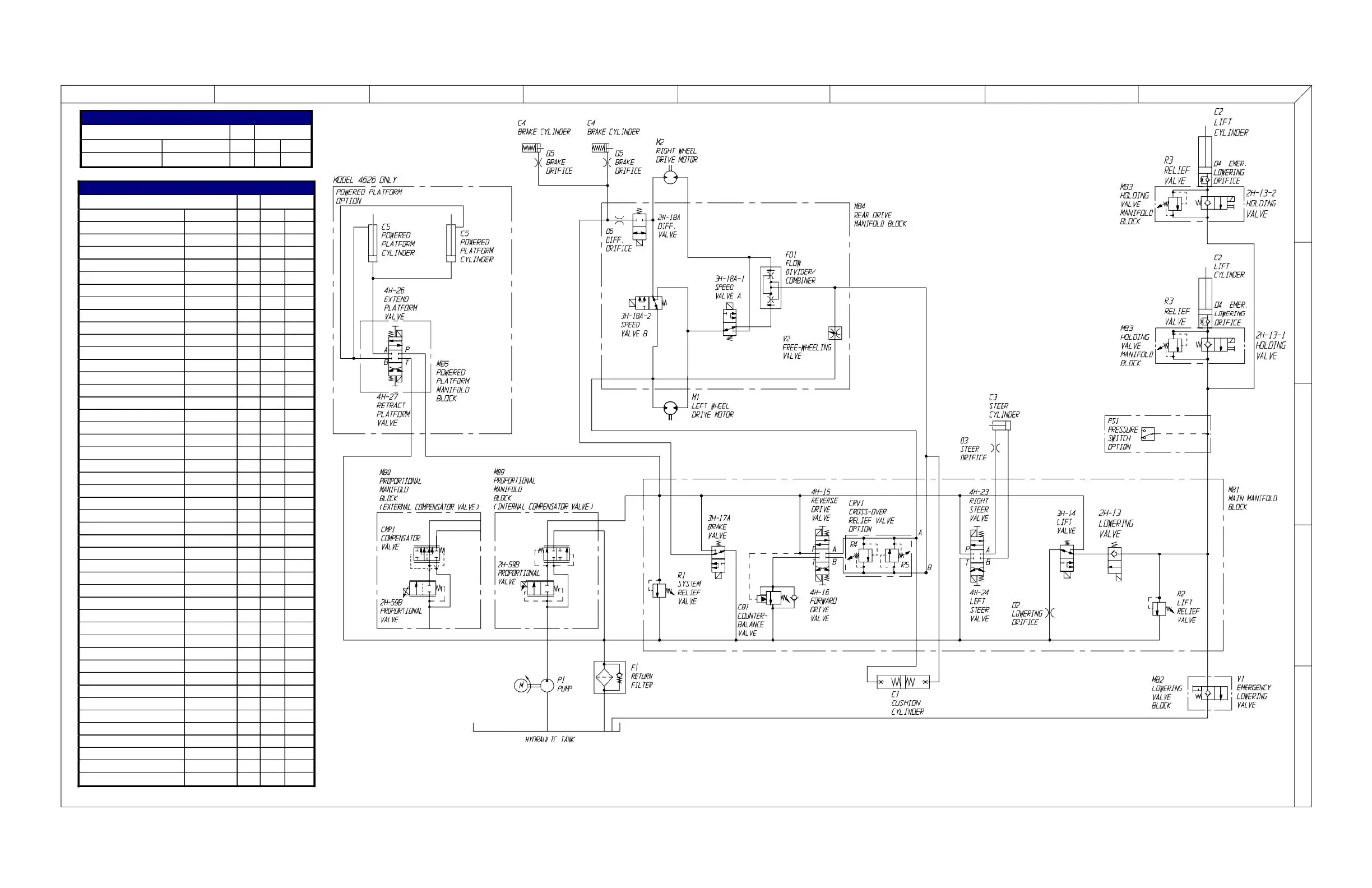
Figure 3.2-3. Hydraulic Schematic - Model 3226, 4626 & 4632
Machines Equipped with Pin Brake (Refer to Serial No. Breakdown Chart)
50189AC
AH
M60433AC
M60433_1AC
46XX Serial Number Breakdown Reference Chart
46XX Type
Brake
Serial No. ANSI/CSA CE Pin Disc
712974 and Below
712975
713092 to 713198
713222 to 713229
713230 to 713241
713242 to 713275
713276 to 713278
713279 to 713298
713299 to 713316
713317 to 713318
713319 to 713364
713365 to 713370
713372 to 713398
713399 to 713403
713404
713405 to 713409
713410 to 713436
713437 to 713441
713442
713443 to 713452
713453 to 713456
713457 to 713466
713467 to 713477
713478 to 713487
713488 to 713520
713521 to 713524
713525
713526 to 713552
713553 to 713574
713575 to 713584
713585 to 713593
713594 to 713604
713605 to 714011
714012 to 714051
714052 to 714085
714086 to 714125
714126 to 714137
714138 to 714140
714141 to 714165
714166 to 714303
714304 to 714406
714407 to 714426
714427 to 714492
714493 to 714660
714661 and Above
32XX Serial Number Breakdown Reference Chart
32XX Type
Brake
Serial No. ANSI/CSA CE Pin Disc
All Serial No.

Related product manuals