EasyManua.ls Logo

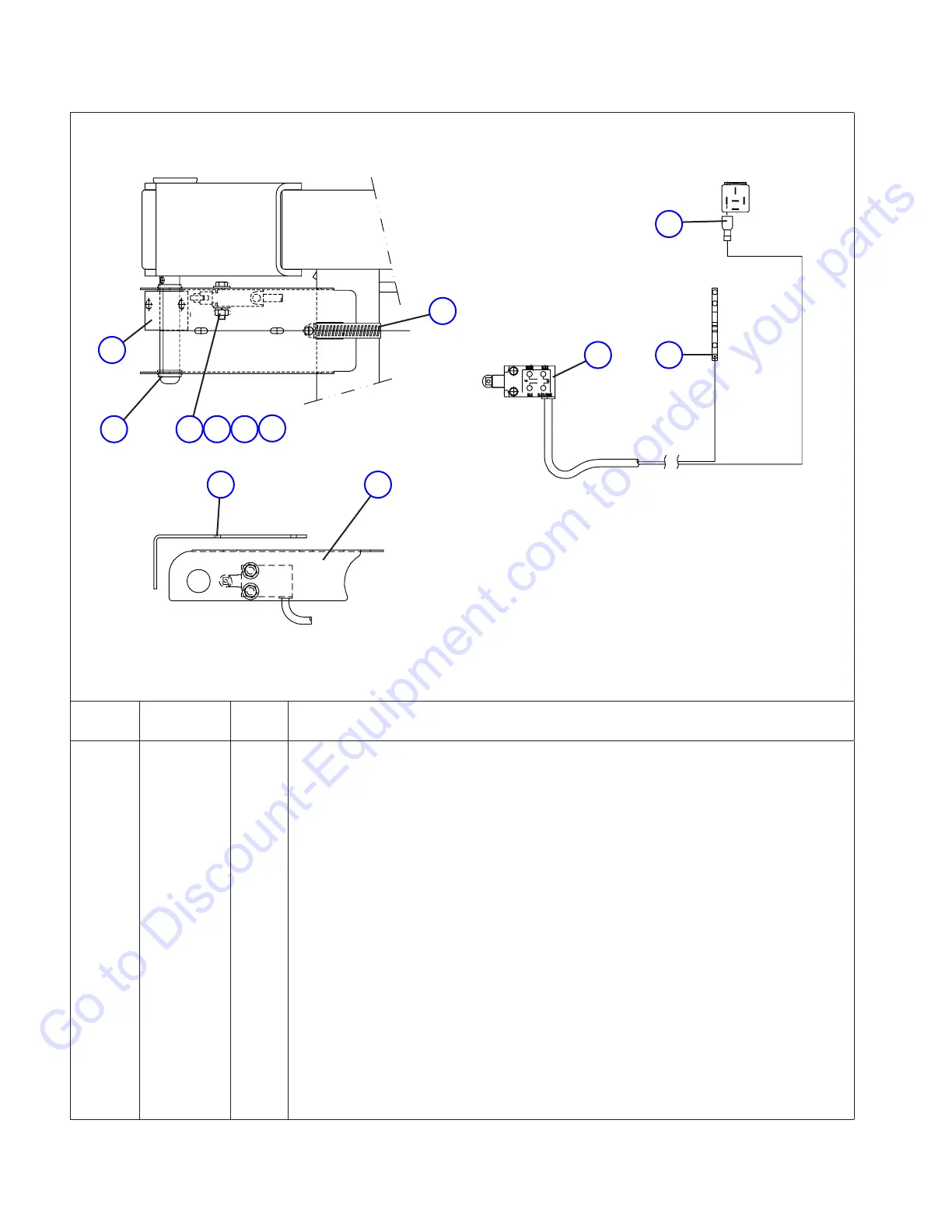
Skyjack 6826RT - Figure 6.2-5. Limit Switch Assemblies

Skyjack 6826RT
264 pages
Print Icon
To Next Page IconTo Next Page
To Next Page IconTo Next Page
To Previous Page IconTo Previous Page
To Previous Page IconTo Previous Page
Loading...
SKYJACK, Page 150
SJRT Compact Series
Engine Powered
Index
No.
Skyjack
Part No.
Qty. Description
Figure 6.2-5. Limit Switch Assemblies
M138073AA
1 105359 1 TERMINAL, Female (14-16GA x 1/4”)
2 115401 1 FERULE, 18GA Red
3 122010 1 SWITCH, Drilled Sealed Limit
4 121867 1 BRACKET, Limit Switch
5 121868 1 GUARD, Limit Switch
6 121869 1 CLAMP, Worm Gear (2.5”)
7 104000 AR WASHER, Lock (1/4”)
8 103858 AR BOLT, Hex Head (1/4”-20 x 1.25”, Grade 5)
9 103995 AR WASHER, Flat (1/4”)
10 103980 AR NUT, Hex (1/4”-20, Grade B)
11 121908 2 BUSHING, Snap-in (3/4”)
12 100967 1 CAM, Limit Switch
1
2
12
11
10
987
6
5 4
3
Go to Discount-Equipment.com to order your parts

Table of Contents

Related product manuals