EasyManua.ls Logo

SMA 10000TL - Page 35

SMA 10000TL
74 pages
Print Icon
To Next Page IconTo Next Page
To Next Page IconTo Next Page
To Previous Page IconTo Previous Page
To Previous Page IconTo Previous Page
Loading...
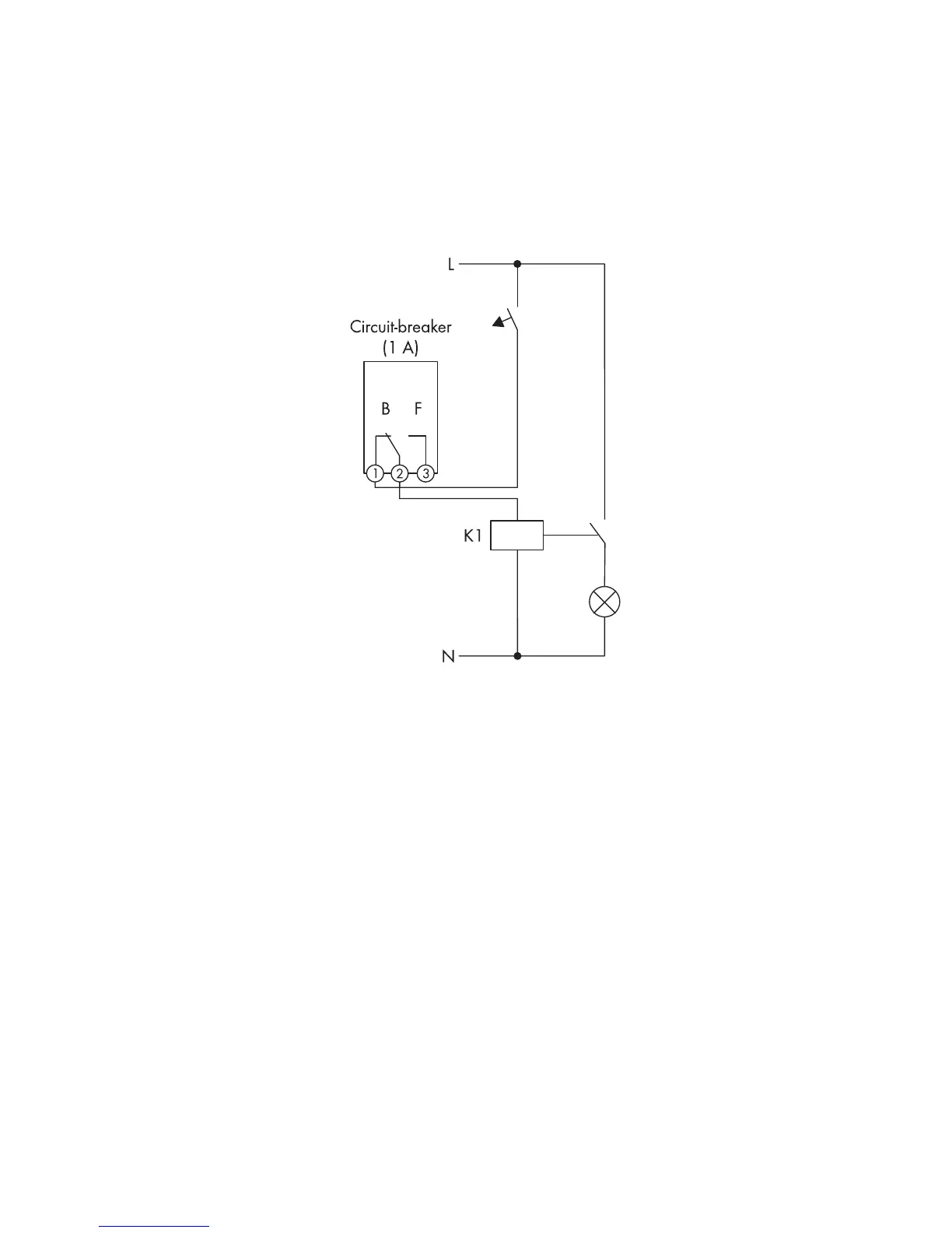
Controlling loads via the multifunction relay or charging batteries depending on
the power production of the PV system
The multifunction relay can control loads or charge batteries power-dependently. To enable this
function, you must connect a contactor (K1) to the multifunction relay. The contactor (K1) switches
the operating current for the load on or off. If you want batteries to be charged depending on the
available power, the contactor activates or deactivates the charging of the batteries.
Figure 9: Wiring diagram for connection for controlling a load or for the power-dependent charging of the
batteries
6 Electrical Connection
SMA Solar Technology AG
Operating Manual 35STP5-12TL-20-BE-en-15

Table of Contents

Other manuals for SMA 10000TL

Related product manuals