EasyManua.ls Logo

SMA 10000TL - Page 36

SMA 10000TL
74 pages
Print Icon
To Next Page IconTo Next Page
To Next Page IconTo Next Page
To Previous Page IconTo Previous Page
To Previous Page IconTo Previous Page
Loading...
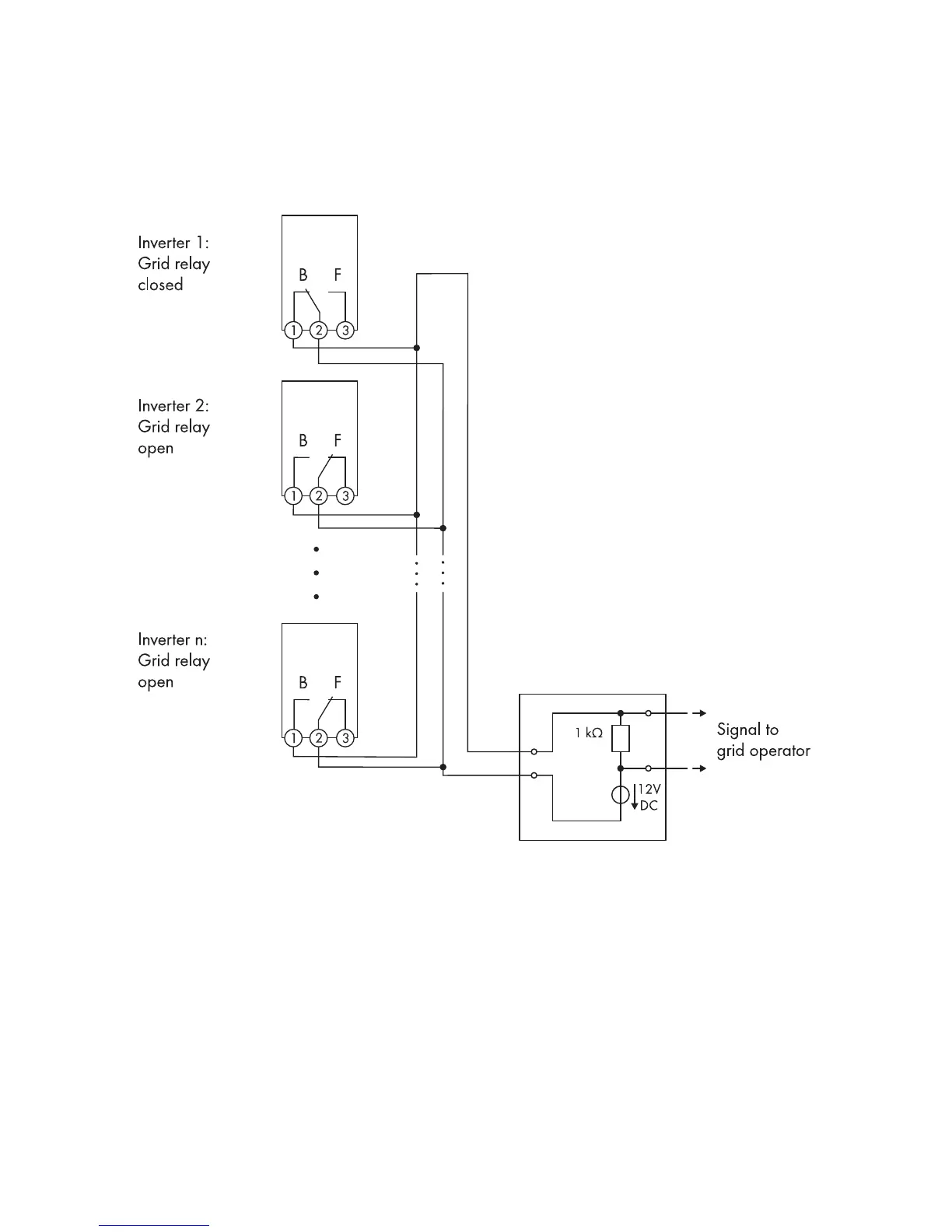
Reporting the switching status of the grid relay
The multifunction relay can trip a signal to the grid operator as soon as the inverter connects to the
utility grid. To enable this function, the multifunction relays of all inverters must be connected in
parallel.
Figure 10: Wiring diagram for signaling the switching status of the grid relay (example)
6Electrical Connection
SMA Solar Technology AG
Operating ManualSTP5-12TL-20-BE-en-1536

Table of Contents

Other manuals for SMA 10000TL

Related product manuals