EasyManua.ls Logo

Snapper LT160H42HBV - Page 12

Snapper LT160H42HBV
92 pages
Print Icon
To Next Page IconTo Next Page
To Next Page IconTo Next Page
To Previous Page IconTo Previous Page
To Previous Page IconTo Previous Page
Loading...
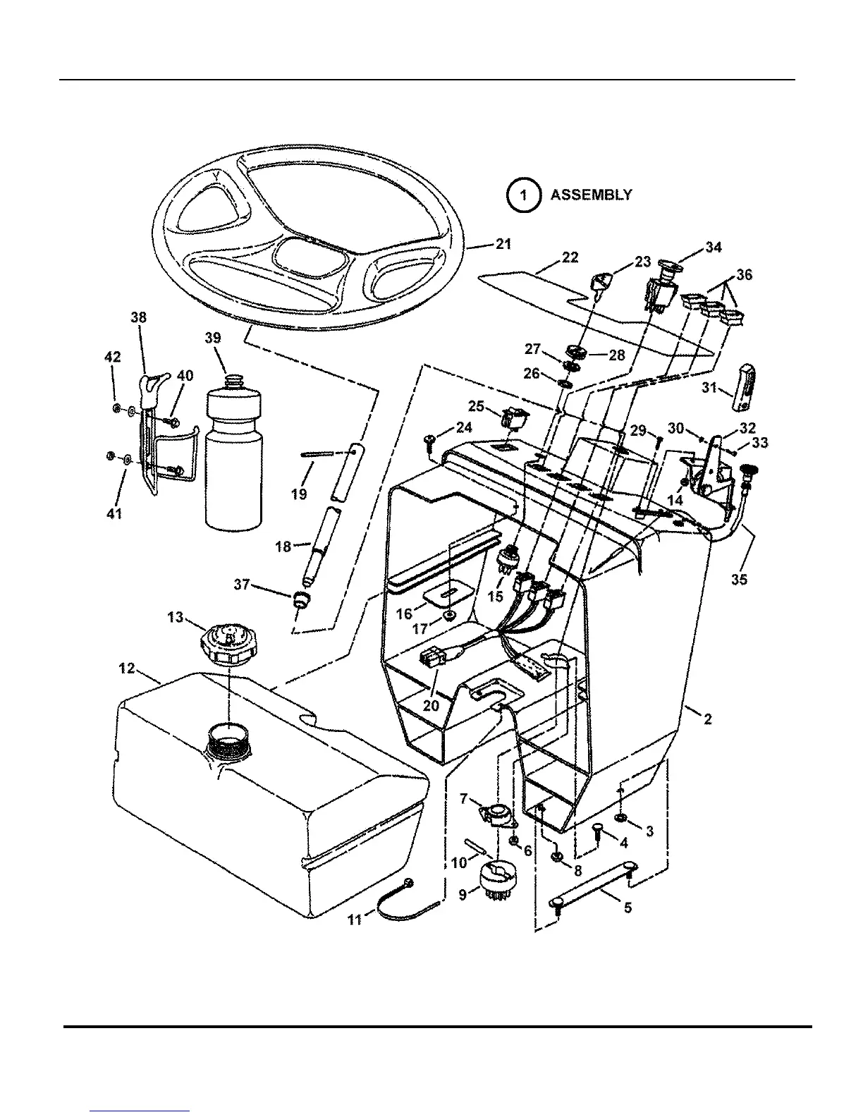
STEERING WHEEL, CONSOLE, FUEL TANK
TP 400-5015-6-TC-N
Manual No. 7006449 LAWN TRACTORS ELECTRIC CLUTCH
SERIES H & I
12

Related product manuals