EasyManua.ls Logo

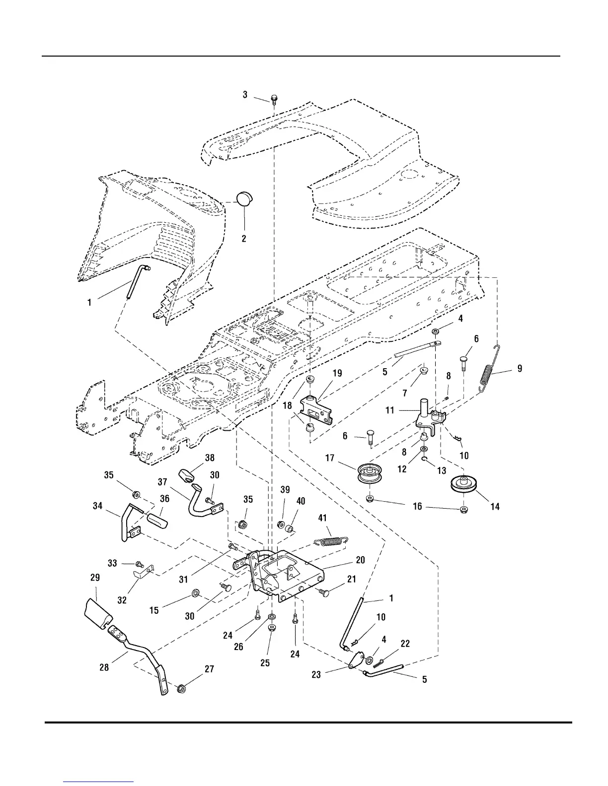
Snapper LT1644 - Controls Group

Snapper LT1644
52 pages
Print Icon
To Next Page IconTo Next Page
To Next Page IconTo Next Page
To Previous Page IconTo Previous Page
To Previous Page IconTo Previous Page
Loading...
Controls Group
TP 400-5011-R1-TC-N
Manual No. 7006451 LAWN TRACTOR
SERIES 0
14

Related product manuals