EasyManua.ls Logo

Snapper LT2044 (2690714) - 44 Mower Deck - Housing, Arbors & Blades Group

Snapper LT2044 (2690714)
38 pages
Print Icon
To Next Page IconTo Next Page
To Next Page IconTo Next Page
To Previous Page IconTo Previous Page
To Previous Page IconTo Previous Page
Loading...
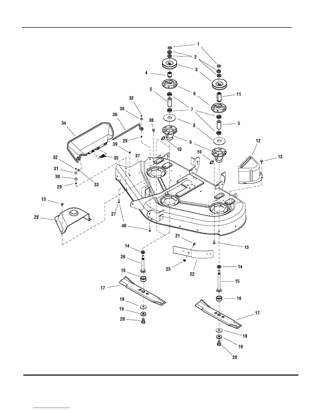
44" Mower Deck - Housing, Arbors & Blades Group
TP 400-5278-IR-TC-N
Manual No. 7006473 LAWN TRACTOR ELECTRIC CLUTCH
22

Related product manuals