EasyManua.ls Logo

Snorkel S2770RT - Cable Operated Bleed down Drawing, SR3370

Snorkel S2770RT
134 pages
Print Icon
To Next Page IconTo Next Page
To Next Page IconTo Next Page
To Previous Page IconTo Previous Page
To Previous Page IconTo Previous Page
Loading...
SR3370 & SR2770 – 13184B Rev D page 1 - 15
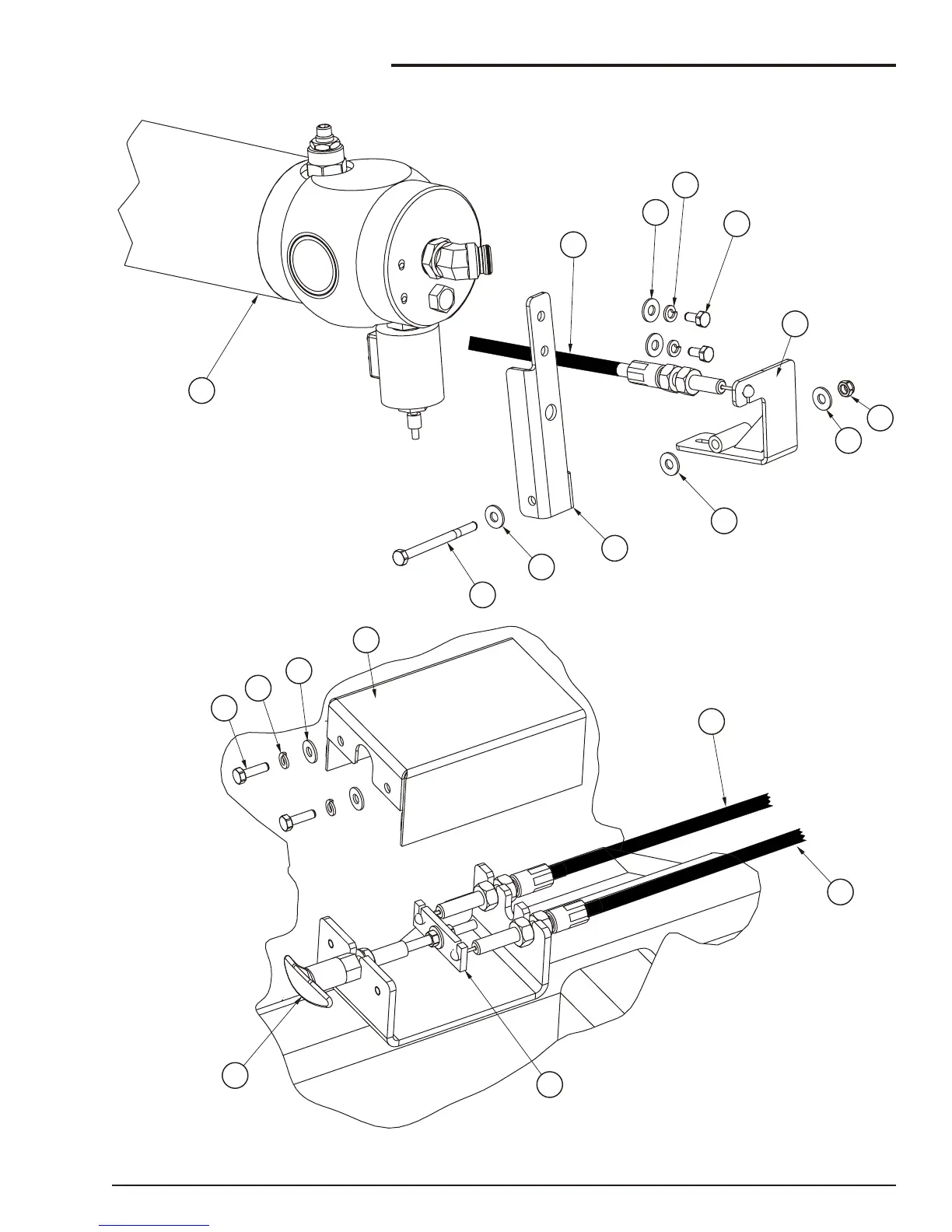
Cable operated bleed down drawing, SR3370
9
11
5
13
7
10
12
6
6
6
14
8
1
3
17
18
16
15
2
4
Cable operated bleed down drawing, SR3370

Table of Contents

Other manuals for Snorkel S2770RT

Related product manuals