EasyManua.ls Logo

Snorkel S39770RT - Page 198

Snorkel S39770RT
217 pages
Print Icon
To Next Page IconTo Next Page
To Next Page IconTo Next Page
To Previous Page IconTo Previous Page
To Previous Page IconTo Previous Page
Loading...
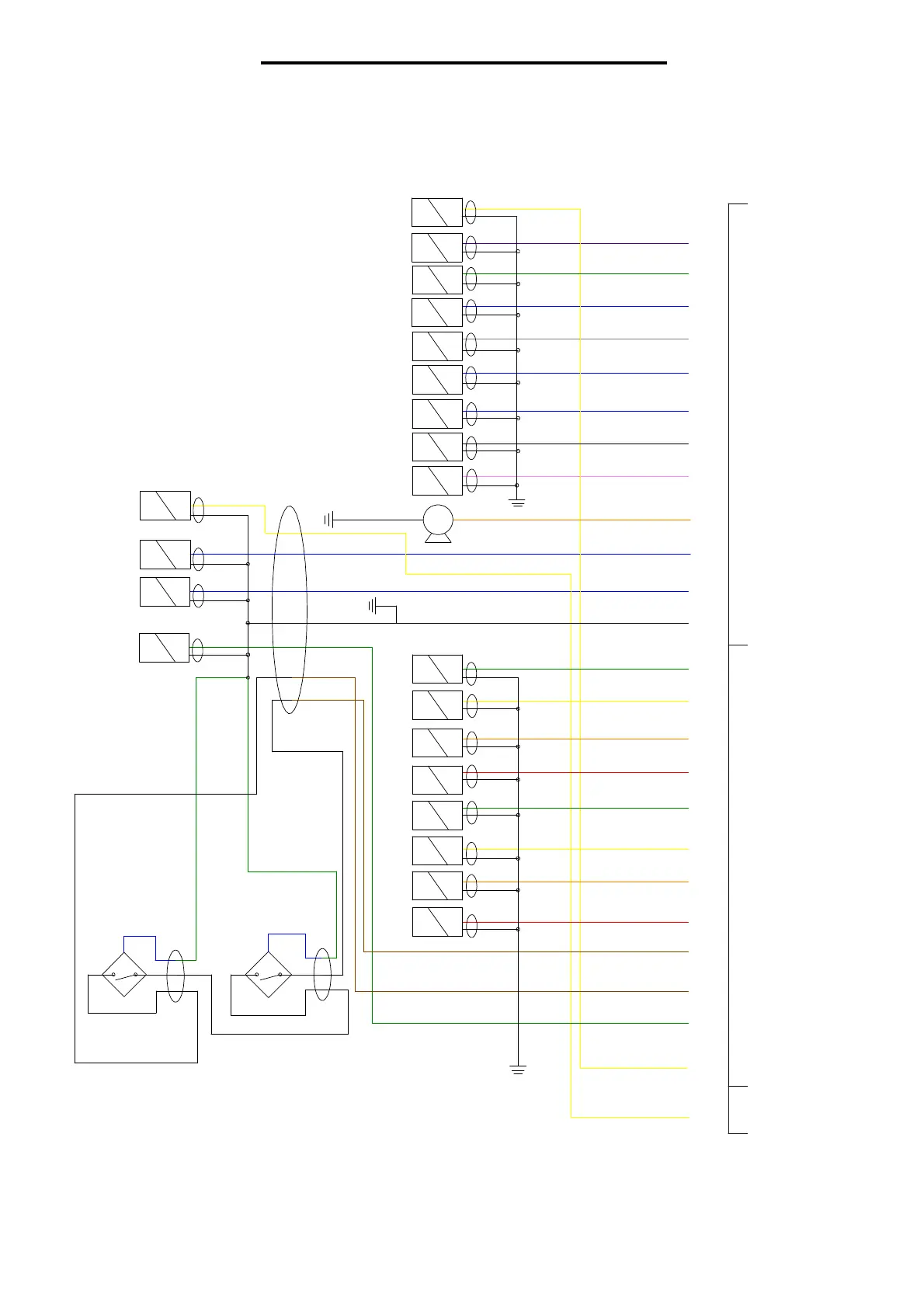
Hydraulic Compartment Wiring
F/LO/RRetract
R/LO/RExtend
R/RO/RRetract
F/RO/RRetract
SteerLeft
Yellow
SteerRight
Forward
Reverse
R/LO/RRetract
Lift Up
R/RO/RExtend
1
1B 2B 3B 4B 5B 6B 7B 8B 9B 10B 11B 12B 1A 2A 3A 4A 5A 6A 7A 8A 9A 10A 11A 12A 1C
Brake
Series/Parallel
Proportional
F/LO/RExtend
Stabiliser Divert
Axle Valve
Earth
AxleProxPower
AxleProx
Axle Valve
Horn
Purple
Green/Red
Blue/Red
Grey
Blue/Black
White
Blue
Pink
Orange
Blue/White
Blue/White
Green
Black
Orange
Red
Green/Black
Brown/Yellow
Yellow / Black
Orange/Black
Red/Black
F/LO/R
Green/White
Brown
ProportianlSolenoid
ForwardSolenoid
LiftUpSolenoid
SteerLeftSolenoid
1
SteerRightSolenoid
StabiliserDivertSolenoid
BrakeSolenoid
Axle ValveSolenoid
Axle ValveSolenoid
435
6
21
Solenoid
Solenoid
23 1
213
12 21 21 2 11
ReverseSolenoid
21 22 21
21
21 21 2
Switch
21 21 21 21
21 21
21
SeriesParallel
Retract
Solenoid
Extend
F/RO/R
Solenoid
Extend
F/LO/R
1
TorqueBypass
Yellow/Blue
R/LO/R
Solenoid
Extend
R/RO/R
Solenoid
Extend
F/RO/R
Solenoid
Retract
Solenoid
Retract
R/LO/R
Solenoid
Retract
Switch
Axle Prox
F/RO/RExtend
Green/Yellow
Green/Yellow
Blue
Blue
Brown
Brown
Black
Black
Black 2
Black
Black 1
Blue/White
Blue/White
Green/White
Axle Prox
ValveSolenoid
Yellow/Blue
TorqueMode
2
1
Yellow/Blue
7
TorqueMode
R/RO/R
TorqueBypass
2

Table of Contents

Related product manuals