EasyManua.ls Logo

Snorkel S39770RT - Page 203

Snorkel S39770RT
217 pages
Print Icon
To Next Page IconTo Next Page
To Next Page IconTo Next Page
To Previous Page IconTo Previous Page
To Previous Page IconTo Previous Page
Loading...
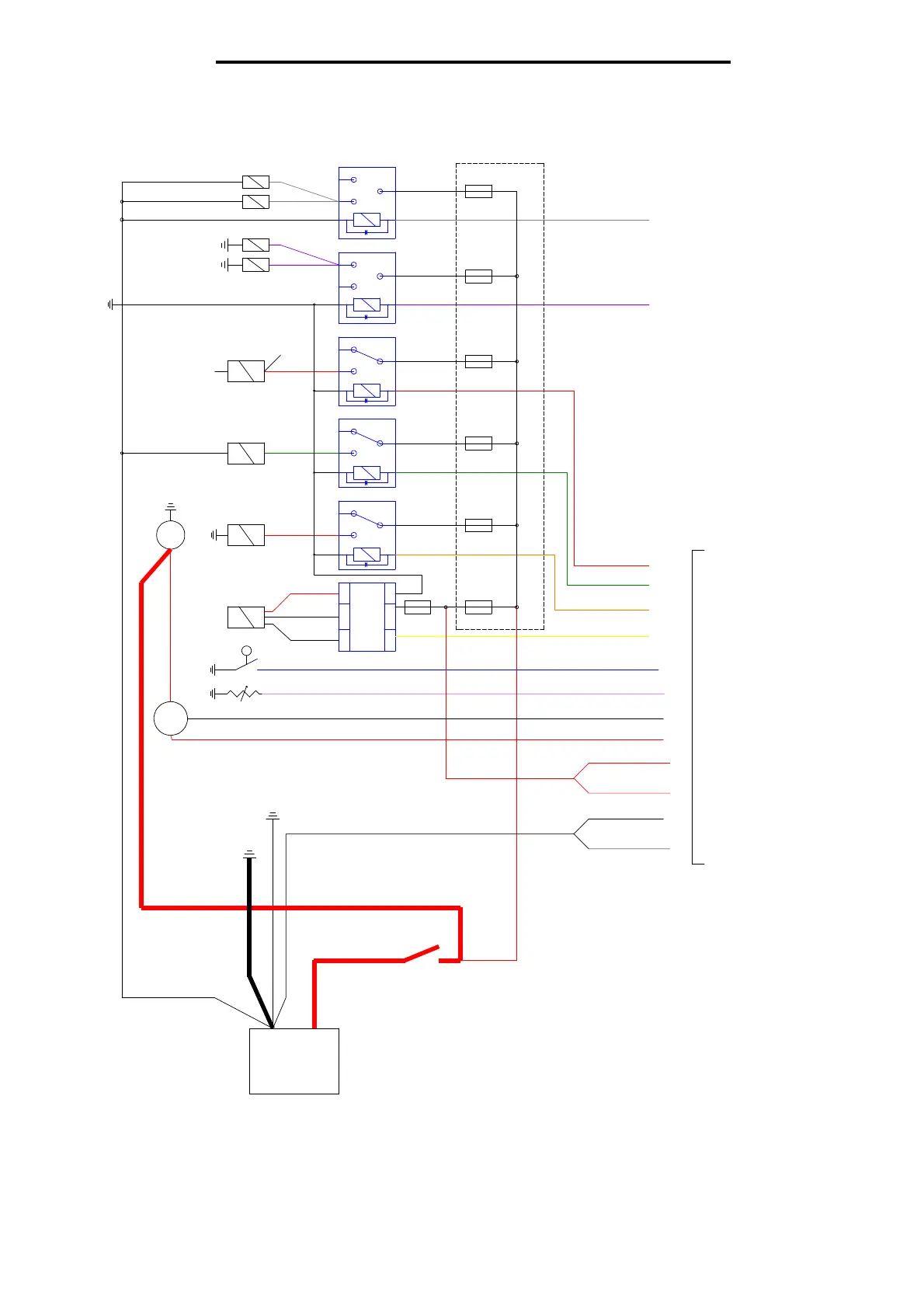
Engine Compartment Petrol/LPG Wiring
L
P
G
S
e
l
e
c
t
L
P
G
L
o
c
k
Petrol / LPG
ALTS
87A 87
85
8630
87A 87
85
8630
87A 87
85
8630
Alt.Sense
B-
B+
Start
HighThrottleControl
Choke
OilPressure
WaterTemp
1 2 3 4 5 6 7 8 9 10 11 12
Run
Alt.Field
B+
B-
P
Red/Black
Green
Orange
Yellow
Blue
Pink
White
Red/White
Red
Red
Black
Black
Engine Compartment
C
o
i
l
I
g
n
i
t
i
o
n
Solenoid
Choke
Solenoid
HighThrottle
Switch
WaterTemp
OilPressure
Switch
F
u
s
e
5
A
F
u
s
e
2
5
A
F
u
s
e
2
0
A
B
+
1
2
V
Red
White
Black
HOLD COMPULL
+BAT-BAT +AUX
TIMING MODULE
+
B
a
t
t
e
r
y
-
Engine
Isolater
F
u
e
l
S
e
l
e
c
t
By Battery
Cabinet
Solenoid
D
i
f
f
u
s
e
r
D
i
f
f
u
s
e
r
Starter
S
l
o
w
B
l
o
w
F6
F3
F2
F1
Re3
Re2
Re1
E
n
g
E
n
g
E
n
g
E
n
g
F
u
s
e
1
0
A
F
u
s
e
1
0
A
F4
F5
30 86
85
87
87A
30 86
85
8787A
Grey
Purple
J7-7LPG
J7-6Petrol
2
0
A
C
a
b
i
n
e
t
F
u
e
l
P
u
m
p
Control
E
n
g
Fuse Box

Table of Contents

Related product manuals