EasyManua.ls Logo

Solaxx Precision UV - Page 3

Default Icon
12 pages
Print Icon
To Next Page IconTo Next Page
To Next Page IconTo Next Page
To Previous Page IconTo Previous Page
To Previous Page IconTo Previous Page
Loading...
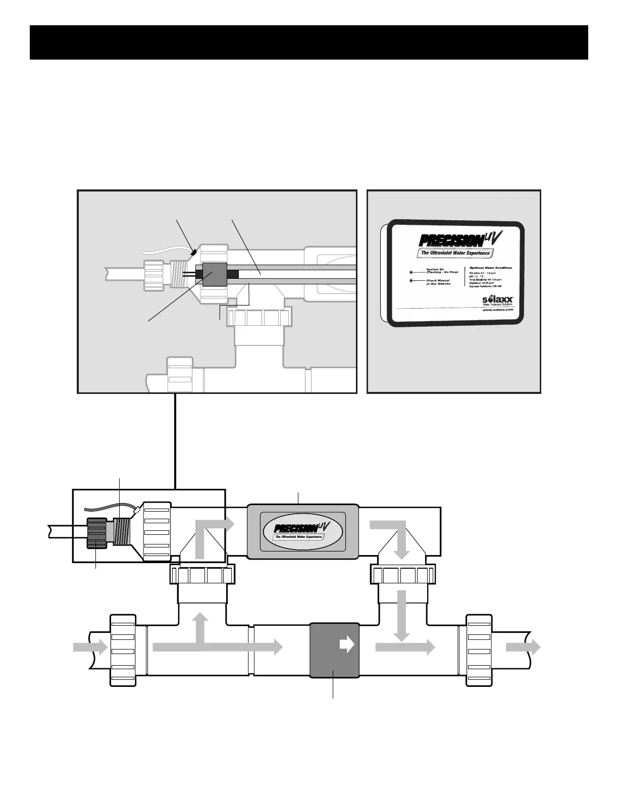
The system utilizes an Ultraviolet Sterilization Chamber to treat your water. This powerful process
eliminates contaminants in water and reduces the use of pool chemicals. No toxic chemicals are used,
no metals or minerals, only pure light.
Using the existing pool pump, a specific amount of water is diverted into the UV chamber where it is
sterilized to the quality of drinking water. A microscopic residual of chlorine (.5-1.0 ppm) is
recommended for use with this system as a supplemental source of disinfection. For best results, the
pool pump should run at least 12 hours daily, (optimally 24 hours daily) for highest savings in chemical
usage and cost.
DESCRIPTION
Power Supply
UV4000A-020 220v
UV4010A-020 110v
Quartz
Sleeve
Lamp
Rubber Seal
Temp.
Sensor
3
PRECISION
PRECISION
PRECISION
PRECISION
AUTOMATIC
REGULATOR
FLOW
Flow Regulator
UV Chamber
Quartz View
Cap
strain
relief
Pure
Water
To Pool
Water
From
Pool