EasyManua.ls Logo

Sony AC-V60A - AC-V60 A;V65 A Block Diagram

Sony AC-V60A
14 pages
Print Icon
To Next Page IconTo Next Page
To Next Page IconTo Next Page
To Previous Page IconTo Previous Page
To Previous Page IconTo Previous Page
Loading...
oard
ass'y
>
disconnect
pper
case
a
DS
SOT
“—
‘AC-V60A/V65A_
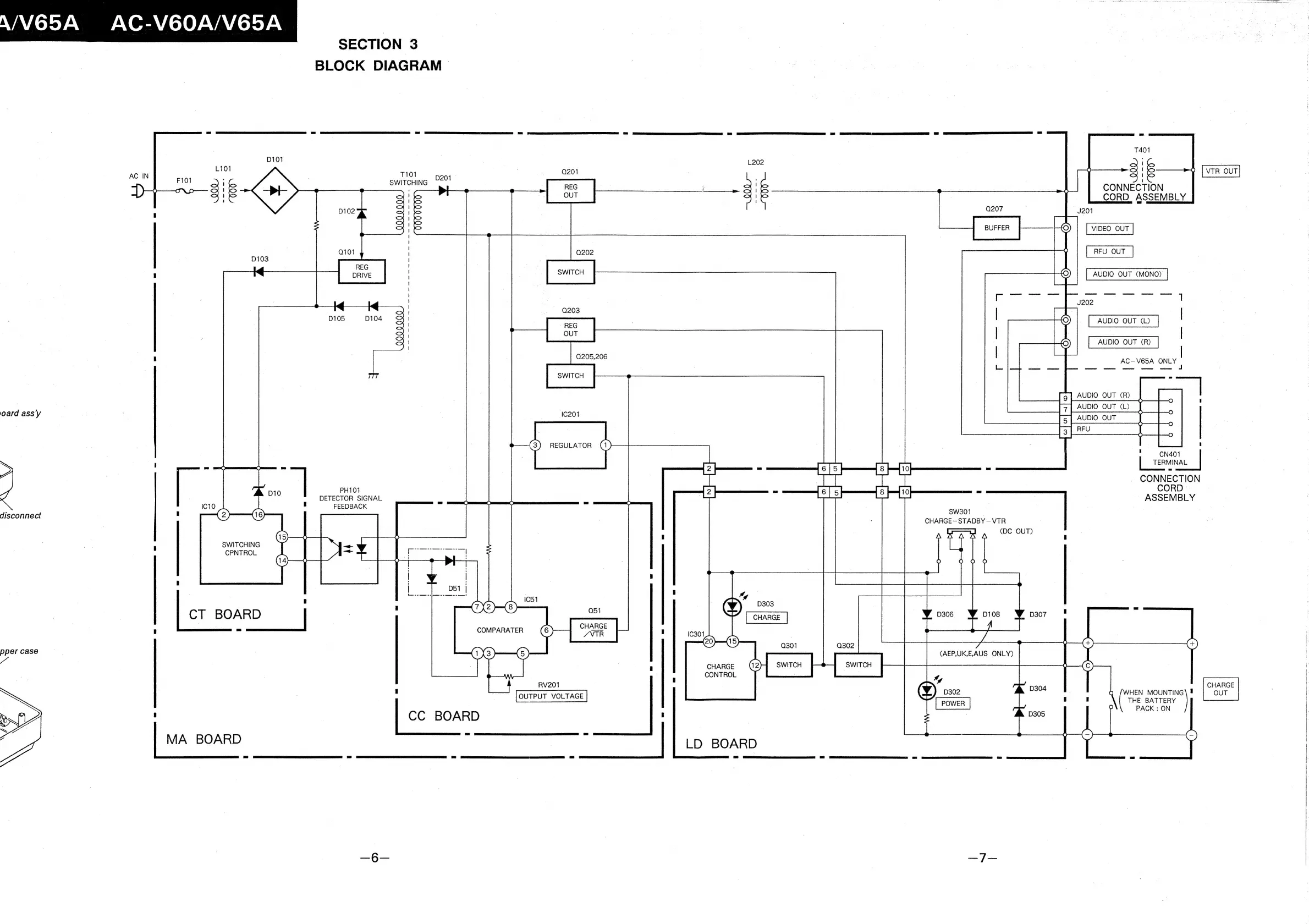
SECTION
3
BLOCK
DIAGRAM
D101
|
L202
L101
|
2
AC
IN
.
|
7101
D201
.
oa
F101
SWITCHING
EG
!
|
i
;
'
cx
|
XD
;
;
D102
=a
a
=
!
3
?
BUFFER
|
I
|
|
!
0101
)
D103
7
!
REG
ae
1
|
SWITCH
|
;
|
|
seed
eee
:
[-
|
<x
|
|
D105
D104
a
=
|
|
S
!
|
S|
|
0205,206
L
SWITCH
=
aC
aa
men,
=
D10
|
PH101
DETECTOR
SIGNAL
IC10
,
FEEDBACK
O)
SWITCHING
CPNTROL
O
SW301
CHARGE-—STADBY
—VTR
rh
(DC
OUT)
A
2D
KN
A
Sea
ed
ane
LE
D306
D108
SWITCH
D307
CHARGE
O—®©
-~
f
Tee
FT
LET
=
ER
eeecce
Eo
oe
ese
Sa
eae
= i =
Ho
ERE
i
ATES
EE
CONTROL
t,
7
f
eave
0304
i
OUTPUT
VOLTAGE
POWER
|
CC
BOARD
|
=
MA
BOARD
;
|
LD
BOARD
|
6
|
AC-V65A
ONLY
|
AUDIO
OUT
(R)
T401
A
]
I
CONNECTION
CORD.
ASSEMBLY
—~J201
rp
|
ceee
7
+9
7]
Auoio
our
©)
Ps
Auoio
our
=
O)
13
RFU
7
:
CN401
|
TERMINAL
|
CONNECTION
CORD
ASSEMBLY
poet)
©
(AEP,UK,E,AUS
ONLY)
as
|
C)
C)
,
7
CHARGE
Q
{WHEN
MOUNTING
OUT
|
|
THE
BATTERY
cacao
O
PACK
:
ON
A___)
©

Related product manuals