EasyManua.ls Logo

Sony AC-V60A - Circuit Schematic Diagrams

Sony AC-V60A
14 pages
Print Icon
To Next Page IconTo Next Page
To Next Page IconTo Next Page
To Previous Page IconTo Previous Page
To Previous Page IconTo Previous Page
Loading...
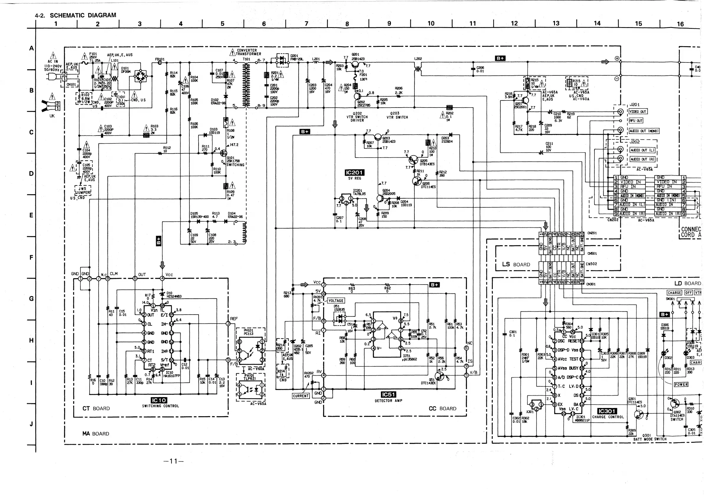
4-2.
SCHEMATIC
DIAGRAM
9
3
4
5
1
ee
ee
(ge
Ce
ea
|
9
10
11°
12.
|
18 14
15
16
1
|
A
ea,
fant
i
UK,E,
AUS
|
TRANSFORMER
are
AC
IN
/
L404
4.
T104
6.
7
-_e<j
|
FMB-29L
.
we
@,
lo-240v
|
fas
A\
=e
rors
=D
A
)
i
=
“I
CC
a
Y
How
ie
Meal
|S
ue
Bee
le)
1/40,
Lt
aw
AC-V65A
AC-V65A
t
i
,
AEP,
UK
US,
CND
|
|
one
|
ae
©
|e
a]
.
|
iors
|
Cc
i
fo)
AUDIO
OUT
(MONO!
|
Sloe
|
1
,
£9)
1
[uoro
out
(L)
|
|
.
|
|
HO)
|
[wore
oor
i]
|
;
*
C405
a
4
a
,
are
Png)
iC-Vesh
D
‘00!
|
nen
UK
4)
GND
|
|
AUS
1a]
GND
ae
ee
Fl
f2|
VIDEO
IN
+1
VIDEO
IN
jo
t
3]
RFU_IN
aN
3
uh
Hal
co
oe
fame
ak
US
CN
W
r=}2]
Molo
IN
MS
TINT
eta
:
|
)
Sic
aa
i.
5.0
:
Fehr
pan
tt
L.
E
|
4
3
a
|
7
ce08
|
~
CN202—
—AC=VO5AtC“(‘C‘sL!..OOC*‘*”S
|
\
)
?
|
|
|
CONNEC.
|
|
CORD
A
1
eee
F
|
1
|
1
|
LS
BOARD
enn
[00
N.C
CLM
|
=
=
Po
|
|
LD
BOARD.
G
|
|
$1301
J
~
|
,
|
|
|
|
1
|
|
i
;
|
|
|
~
2
|
,
|
5]
R307]
R308]
0309
| |
i
|
22k
|
27K
|
185149
1!
:
|
;
|
|
|
|
,
i
|
i
ane
De
|
1
,
|
|
CURRENT.
Cert
|
>
i
DETECTOR
AMP
|
|
és
SWITCHING
CONTROL
a
0
CT
BOARD
|
T
CC
BOARD
,
,
IC301
J
t
|
|
1
|
MA
BOARD
'
:
ere
“AODE
SWITCH
We
sccceee
hn
oui
<
incemsenuiy”e<inekcmamenheigsi:”“ig“hbibetnaak”
<meta
,”
sli’
ipa.
Smmpaath”
aSmmmmeipnma-
el

Related product manuals