EasyManua.ls Logo

Sony BVM-14E1E - Page 77

Sony BVM-14E1E
242 pages
Print Icon
To Next Page IconTo Next Page
To Next Page IconTo Next Page
To Previous Page IconTo Previous Page
To Previous Page IconTo Previous Page
Loading...
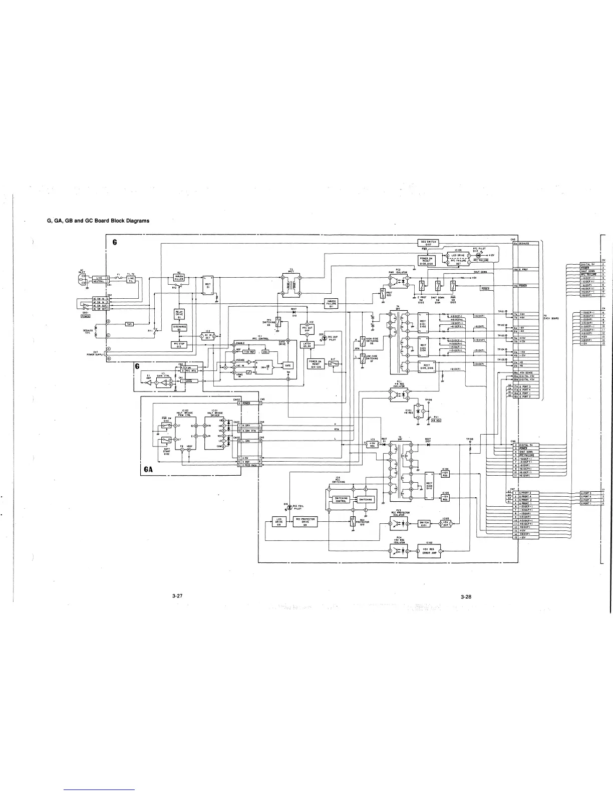
G, GA, GB and GC Board Block Diagrams
.---I 6-------------
AC
INLET
LIVE 3
NEUTRAL l
CNI
CN2
I
AC SW IN 2
r,:---i.AC SW IN 4
~~AC SW OUT I
_ ACSWOUT3
S901
!POWER I
®
fl
r----Q------t THPl t---~
RECT
SWl~~ING [21--
010
IC2
5
-
INRUSH
FAILURE
Oil
+
- -
I DEG SWITCH
QI07
I
PWR
PFC PILOT
ICl06
OIi~
.
LEO DRIVE
+12v
6
7
POWER ON
I
-------
"-7
RESET
PFC FAILURE
~
QIOB,0109
3
OET
I
PC2
,),.
PWR
ISOLATOR
SHUT DOWN
~=
I
I
+5V
2
[&
L~
~
~PROT
~
~
020
J. E PROT
SHUT DOWN
PWR
SW SW
SW
,,,.
0103 0104
QI05
,.b nm
T4
SRT
TPIO I
'j'
7a +6V
~
L
7b
+6V
+6 IOCP+I
r(i3 H2 RECT -6IOCP·I
-610VPl
DEGAUSS
~
C01L
~
©
RYI (-
I DIS~~ARGEI
t.---+-t-@-(1) IC:
IC I
PFC CONTROL
I
PFC STOP I A ENABLE
0
1©_• __________________
0_,3 __ 1:=:,--+-----.--i--.,.J+-< r''
0
...
_l_
rtr
GATE !&_,--
DRIVE
PFC OUT
OVP
7
LATCH
03,04
020
PFC OVP
...
PILOT
l
~
~
HIGH·SIOE
SWITCHING
06
RTN
-f'g l~~I ;;:;--,: +610CP·I
42 jo . g~g~ -6 {OCPTJ
r
lO i~:>---F: .:t--yw.-r+i.io,;,;::;-J--r.~H.....'..'...'.'H~~=1
_ •+15IOC'P-I
RECT +15{0CP+I
5
Ol03 -1510CP- I
-------~ :::. 0104 -1510CP+I
TPl02
~
6a
·6V
6b
·6V
TP103 (j)
+15V
~
L..
••
5b
+15V
-15tOVP)
TPl04
t--
EXT (
~
POWER SUPPLY 0-----------------------' I
@ -1--1--&>V~S~E~NS~E'-q~i'>-f"~---,
osc
1--...
SWl~~ING
6)--b_,,,_:d-~J.,,,,,, .. ·.· . .J•---+-L-+-+--L~itjt===j
••
-15V
4b
-15V
-- 10 - ..<:: .. g+ r ~: .. -~
~
·J:
I I A°.'p ~: CN13 PFC RTN I
~
15,,---
~
~L!_I .j_k!!V!!rm,~_J-?4--1--'
POWER ON
RESET
014-016
017
~
~
-
PC I
+B REG
ISOLATOR
i
-
~
: ..._ ___ '--_ -_-_ -_ -_ -_ -_ -_-_-_-_-_-_-_-_-_-_-_-_-~-------+---~
- ---,-c-,o-,------ -,c-,-o-, ----c-.,-o!.., POWER
CN5
4
b=
J)-0-------~
,-------<-}~~----''
TPI06
I)
I
I
HALF BRIOGE HALF BRIDGE
PWM
CTR\. DRIVER
CN4
H, ORV
I
H. ORV RTN 10
RTN
I PWR SW l '9IT
0101 V 6
~
5
)CT
CNIOI
CN5
LORV
10
r:---:, 4)0'
~
: :~:: ::;: . ::
L::::.l l LO ,\..'t-l-~f,oE];:;:~!Y:::_:=_:=_:=_t~l-------------------'L=--1-.. -~---_-l+..)--<--+-o-o~G3 R~~T e
--- __J FB VREF COM 2
~
s\O:.R~ 3f T14 ._ ___ _,
0102
--- 7 +l5V
7.,._ __________________ __,
L
r-(9
f--(•
I 6 V REF 6
I
5 V FEED BACK 5
....._64 _______ __.
IC4
RCC
SWITCHING
~---+-<,
.------0---+-----+--<1
/4Tr J._____J_
T5
lCIOI
+B
REG
~' RVI
.... l+B AOJI
,.
SRT RECT
0107
? . "'"
0108
0110
IC105
~
+BIOCPI
TPIOB
I)
:,
-
[
L,_r-. ___,
T~
SWITCHING JJ SWITCHING I
!
~R:-1ru
'V - r---+--+-....,
3-27
I
LEO
DRIVE
OB
016
/ p\ RCC FAIL
'Sf\ ::/ PILOT
CONTROL
l
r-r
-' RCC PROTECTOR , m RCC
l._ __ o_:~_v_E _ _,lr--~r------twpRQJ~tOR
,,,.
'
PC3
RCC PROTEC70R
ISOLATOR
-
rl ~
CI03
)
+-
.I,
2
SWITCH
3
+5V
1
_, f 0101 OVP
t5V REG
ISOLATOR
'--------+{4) )::t 2
1Cl02
+5V REG
ERROR
AMP I )r-----~
L
PC4
------------------------------------------------
3-28
TPI 05 (j)
+B
L..
,,
2 b
+B
26a +5V SENSE
....c
29a
DIGITAL +5V
29b
DIGITAL +5V
,-il.
17c G PORT 3
~
17b G PORT 4
,JU.
160 G PORT I
l-iL
16b G PORT 2
I
I
CN6
2
DIGITAL 5V
3
POWER
4 SHUT DOWN
5
PFC FAILURE
6
-6{0CP- 1
7
-6 IOCP+ I
8
-610VPI
9 +610CP+I
10 +6 {OCP-1
11
+6 IOVPI
CN7
t:!t I GPRORT3
~
! ::::~~
...!.!_ 4 G PAORT I
6 ·1510CP·l
1
- i,toCPTI
8 - i,1ovP1
9
t15IOVPI
10
tl5 (OCP-1
11
+15 IOCP+I
12
+BIOCP
I
13
+12V
14
tBIOVP I
15 -12v
-
,----
-
-
-
-
-
-
-
-
,_
~
TO
-
EACH
BOARD
-
-
·-
,--
,--
-
-
----
-
-
DIGITAL 5V
pow,J!
SHUT DOWN
~
- 610CP - l
-610CPTI
-&{OVPJ
+610CP+l
+6lOCP-
I
+6IOVPl
-1510CP-I
-1510CP+ I
-1510VPJ
+15(0VPI
+ t510CP- I
+1510CP+ I
+BIOCPI
+IZV
+BIOVPI
-12V
G PORT3
G PORT 4
G PORT 2
G PORT I
I
I
I
CN:
2
3
4
5
6
7
8
9
10
11
CN
6
7
8
9
10
11
12
13
14
15
Cl
I
2
3
4
l

Related product manuals