EasyManua.ls Logo

Sony CDP-211 - Page 12

Sony CDP-211
27 pages
Print Icon
To Next Page IconTo Next Page
To Next Page IconTo Next Page
To Previous Page IconTo Previous Page
To Previous Page IconTo Previous Page
Loading...
CDP-211/311
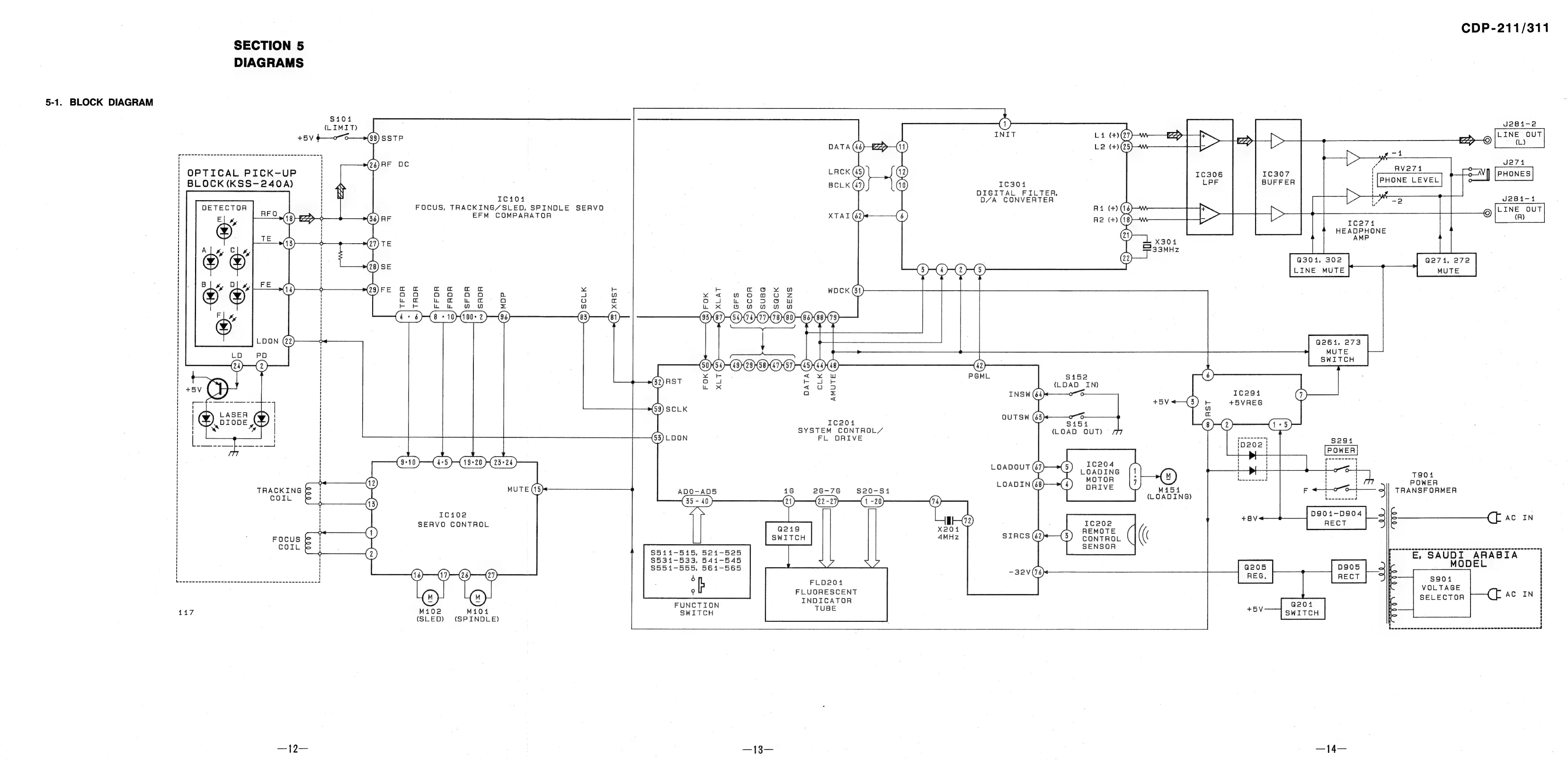
SECTION
5
DIAGRAMS
5-1.
BLOCK
DIAGRAM
51014
(LIMIT)
+5V
¢—070
(Q3)SSTP
aay,
=
=i
LINE
OUT
Se
et
zo
[PN
UT
>
=
;
J2a74
IC306 IC307
:
l
PHONES
LPF
BUFFER
g
1
t
ree
oe
ee
Teo
172
g
[LINE
OUT
:
(R)
Q271,
272
MUTE
RF
DC
OPTICAL
PICK-UP
}
BLOCK
(KSS—240A)
!
Ic301
DIGITAL
FILTER,
D/A
CONVERTER
warms
eT
i
Ic104
FOCUS,
TRACKING/SLED,
SPINDLE
SERVO
EFM
COMPARATOR
o~}/TRDR
7
p
=
:
(2)
MDP
(8)
SCLK
(2)
XAST
SFDR
~]SRDR
Q261,
273
MUTE
————
SWITCH
(6)
.
1c291
@
|
+5VREG
$152
(LDAD
IN)
S151
(LOAD
QUT)
SYSTEM
CONTROL
FL
DRIVE
$291
.
Le
[POWER]
(9+10
(4-5
—{19+20
H{23+24
<7
a
LOADING
Lr
T9014
MOTOR
!
a
Jes
DRIVE
TRANSFORMER
M151
(LOADING)
((
TRACKING
ae
MUTE
(15)
COIL
f&
13)
IC10e2
SERVO
CONTROL
REMOTE
CONTROL
SENSOR
FOCUS
COIL
0)
0
O
$511-515,
5241-525
3531-533,
541-545
5551-555,
561-565
1
H
H
a
ee
Se
ee
eae
|
15-1)
09
02)
a
a
|
t
.
9
FLUORESCENT
VOLTAGE
ieee
dee
|
(1)
(4)
INDICATOR
SELECTOR
FUNCTION
TUBE
447
M4102
M4104
SWITCH
(SLED)
(SPINDLE)
|
==
—13—
|
—14—

Related product manuals