EasyManua.ls Logo

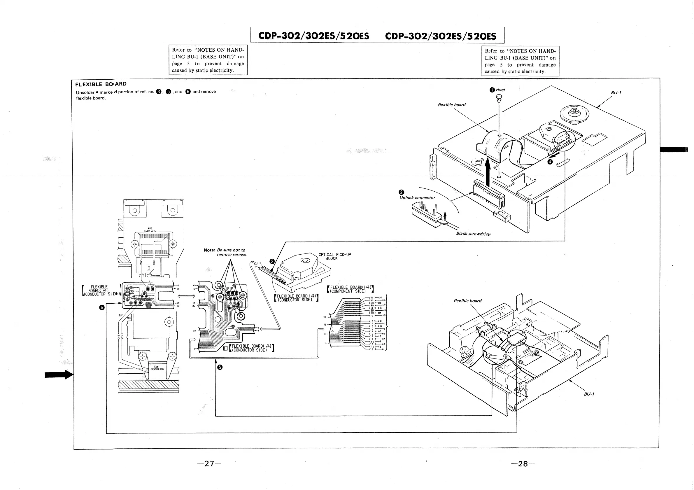
Sony CDP-520ES - Flexible Board

Sony CDP-520ES
43 pages
Print Icon
To Next Page IconTo Next Page
To Next Page IconTo Next Page
To Previous Page IconTo Previous Page
To Previous Page IconTo Previous Page
Loading...

Related product manuals