EasyManua.ls Logo

Sony CDP-C265 - 4-6. IC BLOCK DIAGRAMS

Sony CDP-C265
40 pages
Print Icon
To Next Page IconTo Next Page
To Next Page IconTo Next Page
To Previous Page IconTo Previous Page
To Previous Page IconTo Previous Page
Loading...
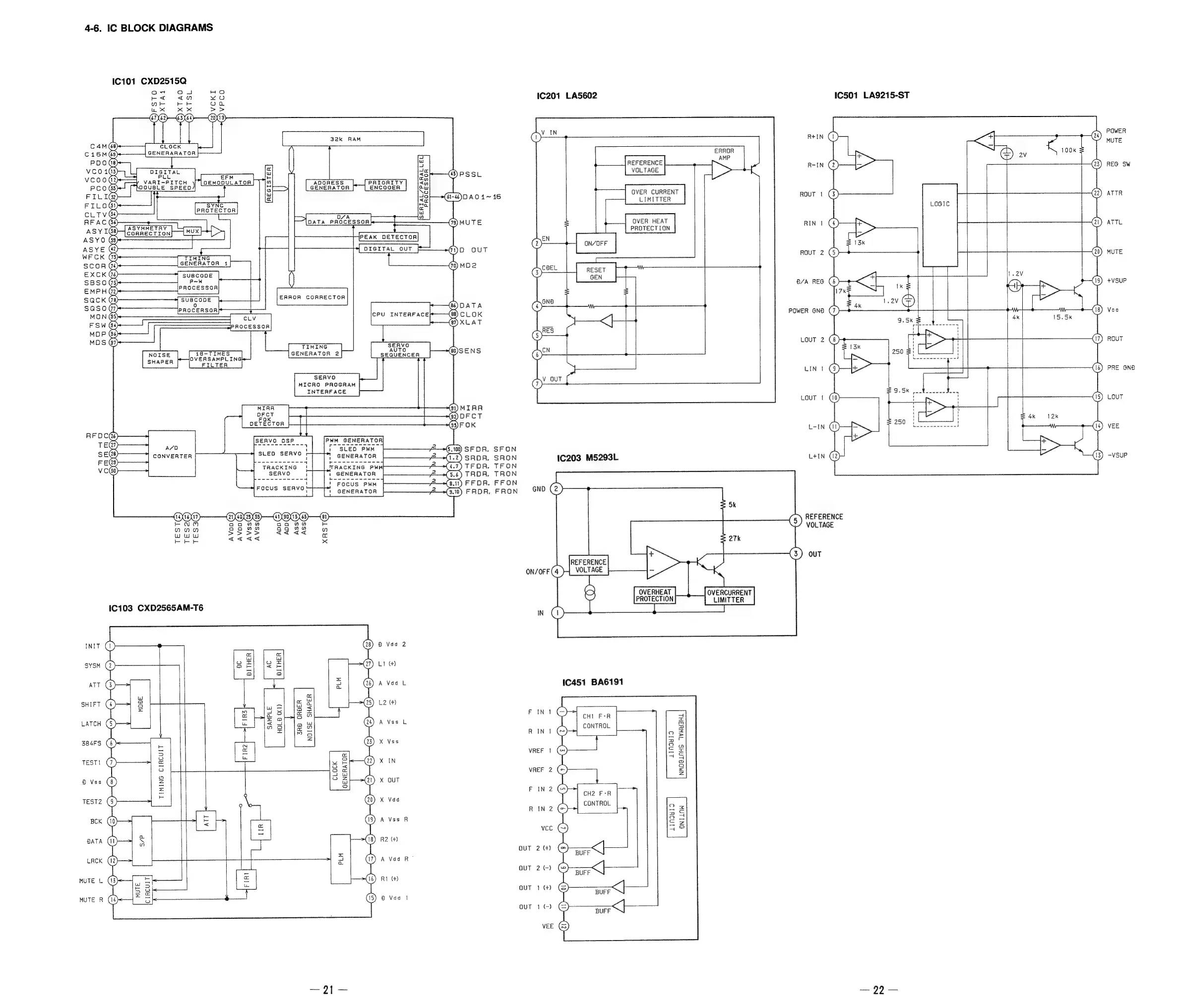
4-6.
IC
BLOCK
DIAGRAMS
IC101
CXD2515Q
oe
oO
I
HO
ret
atin
xO
Ok
ree
05
Ww
x<
x
x
> >
GXED—E€3)
TEQ)———*
A/O
SEQS)
CONVERTER
IC103
CXD2565AM-T6
384FS
TESTI
)
Vss
TIMING
CIRCUIT
TEST2
BCK
48-TIMES
OVERSAMPLING
FILTEA
FOK
DETECTOR
HOLD
(X1)
3RA
ORDER
NOISE
SHAPER
ATA
PROCESSOA
OSA
SERVO
MICRO
PROGRAM
INTERFACE
SLED
PWM
GENERATOR
FOCUS
PWM
GENERATOR
GENERATOR
ane
21
ae
PEAK
DETECTOR
eee
»
TFON
C201
LA5602
SFON
SRON
1C203
M5293L
TRON
FFON
FRON
GND
1C451
BA6191
CHI
F-R
CONTROL
VREF
VREF
2
CH2
F-R
CONTROL
vce
OUT
2
(+)
OUT
2
(-)
OUT
1
(+)
OUT
1
(-)
LINDYII
NMOGLAHS
WWYSHL
oO
me)
ioe)
Cc
_
4
REF
ERENCE
C
a
VOLTAGE
OVERHEAT
OVERCURRENT
PROTECTION
es
LIMITTER
IC501
LA9215-ST
POWER
MUTE
REG
SW
ATTR
ATTL
MUTE
+VSUP
ROUT
PRE
GN8
LOUT
VEE
-VSUP
REFERENCE
VOLTAGE
OUT
ns
22

Other manuals for Sony CDP-C265

Related product manuals