EasyManua.ls Logo

Sony CDP-S37 - Page 19

Sony CDP-S37
19 pages
Print Icon
To Previous Page IconTo Previous Page
To Previous Page IconTo Previous Page
Loading...
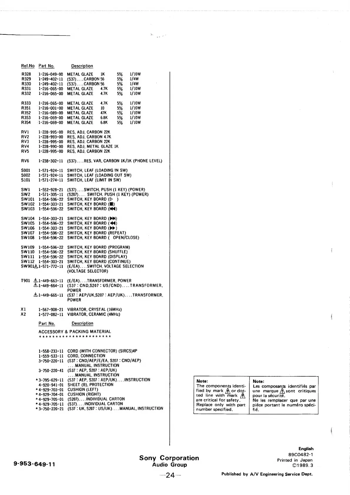
Ref.No
Part
No.
Description
R328
=:
1-216-049-00
METAL
GLAZE
1K
5%
1/10W
R329:
1-249-402-11
(S37)....
CARBON
56
5%
1/4W
R330:
1-249-402-11
(S37)....
CARBON
56
5%
1/4W
R331
—-1-216-065-00
METAL
GLAZE
4.7K
5%
1/10W
R332
=
-1-216-065-00
METAL
GLAZE
4.7K
5%
I/10W
R333:
1-216-065-00
METAL
GLAZE
4.7K
5%
1/10W
R351
=:
1-216-001-00
METAL
GLAZE
10
5%
1/10W
R352
—-1-216-089-00
METAL
GLAZE
47K
5%
1/10W
R353
1-216-069-00
METAL
GLAZE
6.8K
5%
1/10W
R354
=:
1-216-069-00
METAL
GLAZE
6.8K
5%
1/10W
RV1
1-228-995-00
RES,
ADJ,
CARBON
22K
RV2
1-228-993-00
RES,
ADJ,
CARBON
4.7K
RV3
1-228-995-00
RES,
ADJ,
CARBON
22K
RV4
1-228-990-00
RES,
ADJ,
METAL
GLAZE
1K
RV5
1-228-995-00
RES, ADJ,
CARBON
22K
RV6
1-238-302-11
(537)....RES,
VAR,
CARBON
IK/1K
(PHONE
LEVEL)
$001
1-571-924-11
SWITCH,
LEAF
(LOADING
IN
SW)
$002
1-571-924-11
SWITCH,
LEAF
(LOADING
OUT
SW)
$101
1-571-274-11
SWITCH,
LEAF
(LIMIT
IN
SW)
swi
1-552-928-21
(S37)....SWITCH,
PUSH
(1
KEY)
(POWER)
SW2
1-571-305-11
(S207)....
SWITCH,
PUSH
(1
KEY)
(POWER)
SW101
1-554-596-22
SWITCH,
KEY
BOARD
(>)
SW102
1-554-303-21
SWITCH,
KEY
BOARD
(i)
SW103
1-554-596-22
SWITCH,
KEY
BOARD
(Hd)
$W104
1-554-303-21
SWITCH,
KEY
BOARD
(PPI)
SW105
1-554-596-22
SWITCH,
KEY
BOARD
(44)
SW106
1-554-303-21
SWITCH,
KEY
BOARD
(bP)
SW107
1-554-596-22
SWITCH,
KEY
BOARD
(REPEAT)
SW108
1-554-596-22
SWITCH,
KEY
BOARD
(
OPEN/CLOSE)
SW109
1-554-596-22
SWITCH,
KEY
BOARD
(PROGRAM)
SW110
1-554-596-22
SWITCH,
KEY
BOARD
(SHUFFLE)
SW111
1-554-596-22
SWITCH,
KEY
BOARD
(DISPLAY)
SW112
1-554-303-21
SWITCH,
KEY
BOARD
(CONTINUE)
SW901A,
1-571-772-11
(E/EA)....SWITCH,
VOLTAGE
SELECTION
(VOLTAGE
SELECTOR)
T901
A\.1-449-663-11
(E/EA)....
TRANSFORMER,
POWER
A\.1-449-664-11
(S37
:
CND,S207
:
US/CND)....
TRANSFORMER,
POWER
A\.1-449-665-11
(S37
:
AEP/UK,S207
:
AEP/UK)....
TRANSFORMER,
POWER
Xl
1-567-908-21
VIBRATOR,
CRYSTAL
(16MHz)
X2
1-577-082-11
VIBRATOR,
CERAMIC
(4MHz)
i
Part
No.
Description
ACCESSORY
&
PACKING
MATERIAL
KKK
KKHAKKK
KK
KHER
KK
KEK
1-558-233-11
CORD
(WITH
CONNECTOR)
(SIRCS)4P
1-§59-533-11
CORD,
CONNECTION
3-750-220-11
(S37:
CND/AEP/E/EA,
S207
:
CND/AEP)
....
MANUAL,
INSTRUCTION
3-750-220-41
(S37:
AEP,
$207
:
AEP/UK)
...
MANUAL,
INSTRUCTION
*
3-795-629-11
(S37:
AEP,
$207:
AEP/UK)....INSTRUCTION
Note:
Note:
4-920-941-01
SHEET
(B),
PROTECTION
The
components
identi-
|
Les
composants
identifiés
par
*
4-929-703-01
CUSHION
(LEFT)
fied
by
mark
Aor
dot-
|
une
marque
A\sont
critiques
*
4-929-704-01
CUSHION
(RIGHT)
ted
line
with
mark
A
pour
la
sécurité.
*
4-929-705-01
(S207)....INDIVIDUAL
CARTON
are
critical
for
safety.
Ne
les
remplacer
que
par
une
*
4-929-705-11
(S37)....INDIVIDUAL
CARTON
Replace
only
with
part
|
piéce
portant
le
numéro
spéci-
*
3-750-220-21
(S37
:
UK,
$207
:
US/UK)....
MANUAL,
INSTRUCTION
number
specified.
fié.
Alay
English
:
89C0482-1
Sony
Corporation
Printed
in
Japan
9-953-649-11
Audio
Group
©1989.3
—24—
Published
by
A/V
Engineering
Service
Dept.

Related product manuals