EasyManua.ls Logo

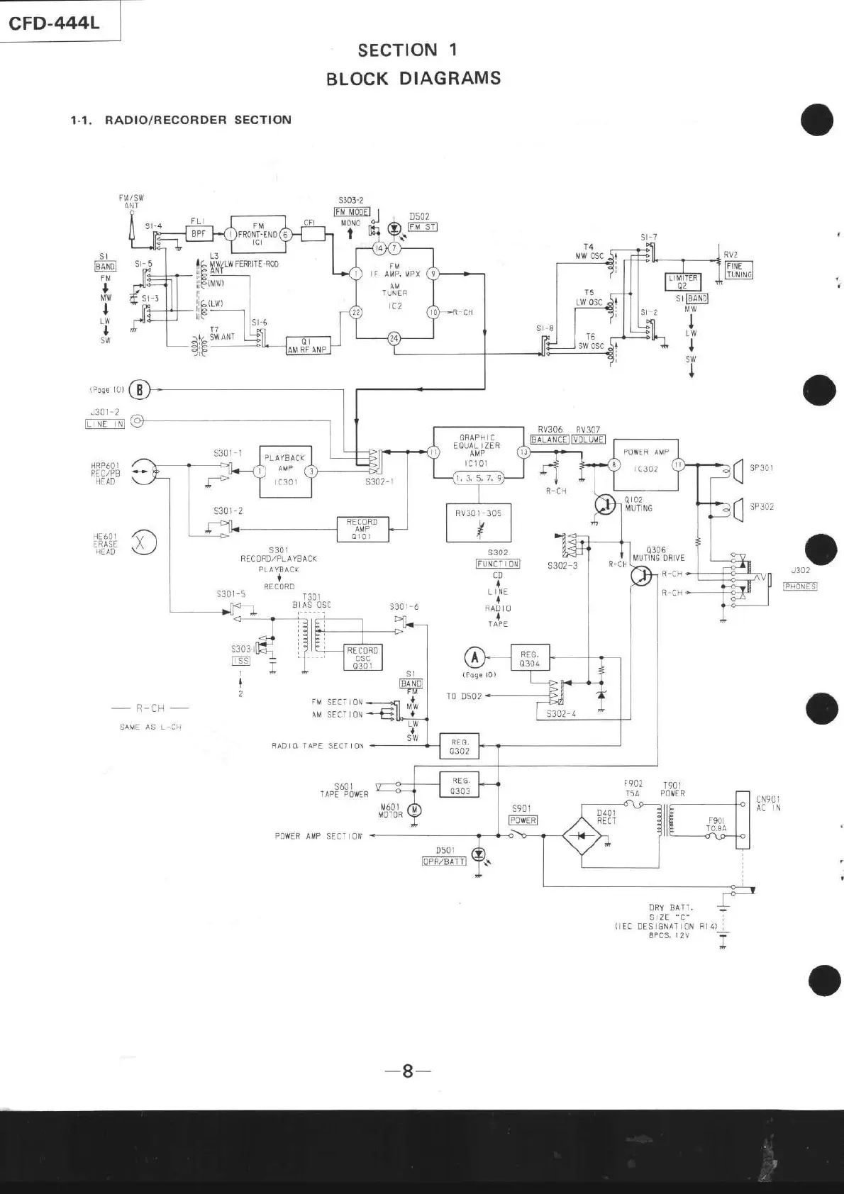
Sony CFD-444L - SECTION 1 BLOCK DIAGRAMS; 1-1. RADIO;RECORDER SECTION

Sony CFD-444L
56 pages
Print Icon
To Next Page IconTo Next Page
To Next Page IconTo Next Page
To Previous Page IconTo Previous Page
To Previous Page IconTo Previous Page
Loading...
1.1.
RADIO/RECORDER SECTION
!l
l6
{Li{l
Ie
sEcTloN
1
BLOCK
DIAGRAMS
s303'2
lïu voîËl
1
M0N0 _e
I
D502
14
MW oSC
SI
lBÂNoil
t
I
I
SW
RV2
IFmr-t
ITUNINGI
I7
rlz SW
ANT
9ie
s30r 5
l
I
2
FV3O6
RV3O7
I
I
I
HRP6OI
REClPB
HEÀD
lEÀL-ANcÈlltoL
uvE
s302-3
(
s':0,
fl
sr:oz
\
o
o
J302
lFIo
NÈal
s30r
RECORD,/PLAYBACK
PLAYBACK
t
RECORD
s302
FUN-r
ro-Nl
CD
I
L
INE
I
RAD
O
I
-e
<Ja
s:o:.tffi
1
',, I
SI
EanDl
T]\r
ta
(Po0e
10)
T0 D502
-
R_CH
-
SÂME AS L_CH
FM
SECT ON
AM
SECT ON
RAD O, TAPE SECT ON
s60l
TÀPE
POivER
POWER
AMP SECT ION
D501
IôPR,€Àin
r,3,5,7,9
l90l
PowER
lll
cHsor
ilE--n
Àr N
ill_+li{
DRY
BAÏT.
s zE
-c-
(IEC
DES GNAT ION
8PCS,
I2V
RIlN
I
-8-