EasyManua.ls Logo

Sony D-66 - Page 8

Sony D-66
18 pages
Print Icon
To Next Page IconTo Next Page
To Next Page IconTo Next Page
To Previous Page IconTo Previous Page
To Previous Page IconTo Previous Page
Loading...
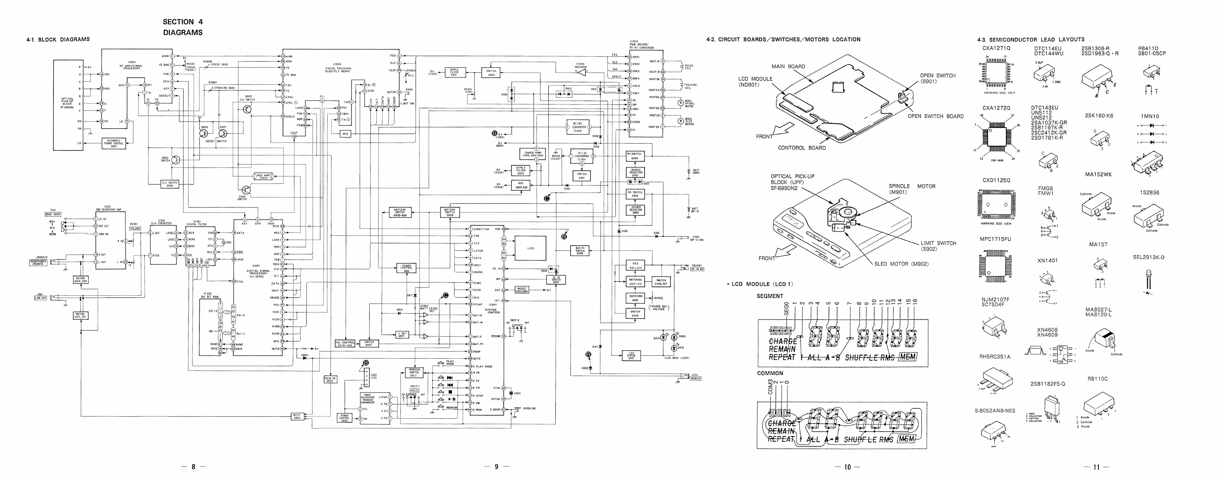
SECTION
4
DIAGRAMS
4-1.
BLOCK
DIAGRAMS
MIRR
G)
mi
1C501
RF
AMP/SIGNAL
PROCESSER
(Fees
BIAS
EFM
@)
RV5O1
G4)
T2¢
asy
(7)
{TRACKING
GAIN}
OPTICAL
PICK-UP
DEFECT(2)
BLOCK
SF-89SON2
RVE0B
FE
BIAS
Gi)
RV503
(FOCUS
GAIN)
:
INVERTER
1504
PWM
ORIVER/
OC-DC
CONVERTER
HOUT3B
(34)
col
HOUT3A
B+
Q603
507
(DCP
AUTOMATIC
‘DEFECT
|
SWITCH
POWER
CONTROL
i
aan
9501
|
a
0504
SWITCH
CH
CLV.
SWITCH
ve
0506
1303
$301
088
HEADPHONE
AMP
BASS
BOOST
q
MAX
ic302
1301
t
(<
D/A
CONVERTER
DIGITAL
FILTER
a
:
norm
J302(2/2)
HEADPHONES
7
7REMOTE
|
MUTING
Q102,
203
3301
aos
MUTING
Q10t,
201
2
al
SWITCH
S
806-808
x
Wheel
VV
\V
VOL
CONTROL
SWITCH
Q418~420
O4I7
|
ze
o>
m<
op
on
ez
na
No
x
O41
0808
J+
KF
=z
°°
4
Oo
°o
ae
=
2
7
7
T
:
via
=
oP
oP
oP
oP
ofp
1
|
SOURCE
=
BATT
aor
sl
(BP-2)
D415
:
REG
i
Q411,
412
SWITCHING
SWITCH
Q413-415
Q426,427
SWITCHING
0416
SWITCH
Q406
(Voltace
)
os
ay
p4o9
“sf
(¥)
D410
LED
ORIVE
042!
(LCD BACK
LIGHT}
4-2.
CIRCUIT
BOARDS,
“SWITCHES
“MOTORS
LOCATION
MAIN
BOARD
LCD
MODULE
OPEN
SWITCH
OPEN
SWITCH
BOARD
CONTOROL
BOARD
BATT
(AM3)
OPTICAL
PICK-UP
BLOCK
CUPF)
CH)
ee)
LIMIT
SWITCH
SLED
MOTOR
(M902)
CNJ40I
pond
[OC
IN
év]
IN
6V
4
y
$401
i
=
(BP-2
ON)
¢
LCD
MODULE
(LCD
1)
oV]]_¥801
[REMOTE]
G
v-OUT
V-IN
S-8052ANB-NES
4-3.
SEMICONDUCTOR
LEAD
LAYOUTS
DTC114EU
2SB1308-R
RB411D
DTC144WU
2SD1963-0-R
SB01-O05CP
3.0UT
F
2
2:
<
.
i
2
N
:
I")
B
DTC143EU
Oheote
2SK160-K6
1MN10
2SA1037K-OR
2SB1197K-R
2SC2412K-OR
G
2SD1781K-R
F243
S
Cc
;:
|
E
B
MA152WK
FMG8
FMW1
Cathode
182836
Anode
4
3
Ka
ta
Anode
Pat
2
i
Anode
~~.
1
|
Cathode
oe
4
Cathode
2
SEL2913K-D
a
ee
MA8027-L
MA8120-L
XN4608
XN4609
bg
=
ob
;
.
Anode
ow
i
2
Cathode
es
aes
3
RB110C
2SB1182F5-0
1.
BASE
g
paegron
1
Anode
4
COLLECTOR
2
Cathode
3
Anode

Related product manuals