EasyManua.ls Logo

Sony D-99 - Section 4 Diagrams; Block Diagrams

Sony D-99
23 pages
Print Icon
To Next Page IconTo Next Page
To Next Page IconTo Next Page
To Previous Page IconTo Previous Page
To Previous Page IconTo Previous Page
Loading...
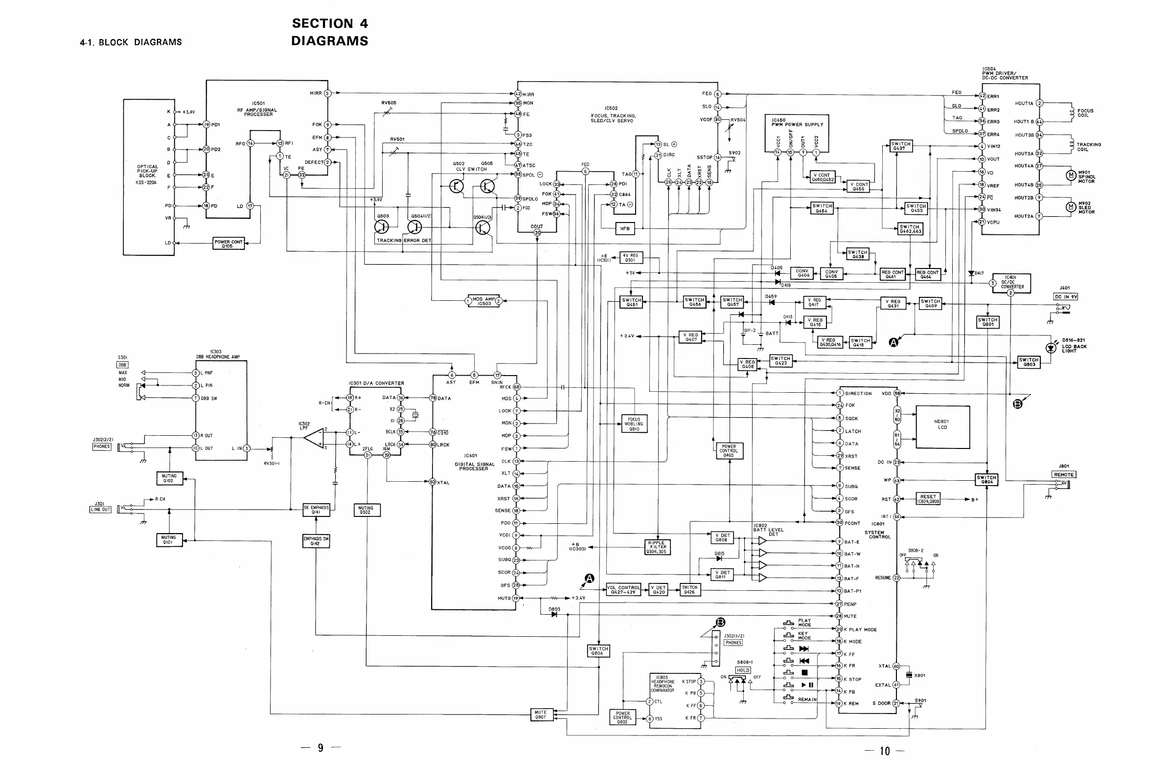
4-1,
BLOCK
DIAGRAMS
1c501
RF
_AMP/SIGNAL
PROCESSER
OPTICAL
PICK-UP
BLOCK.
i
KSS~220A
1C303
$30!
DBB
HEADPHONE
AMP
OBB
MAX
q
(5).
PNF
MID
<J
w
([R
qj
(13)
R
OUT
0)
L.
OUT
§302(2/2)
friones)
RV30I-1
MUTING
Qi02
RCH
J30i
°
LINE
OUT
l
Neen
MUTING
Qi01
7
SECTION
4
DIAGRAMS
RV505
RV501
16301
D
MUT
DE
EMPHASIS
ala
EMPHASIS
SW
142
0302
+3.4V
——
IC502
FOCUS,
TRACKING,
SLED/CLV
SERVO
Qs03
‘8
ERROR
DET
7A
CONVERTER
ING
Q604(1/2)
“)
fn
Q502
Q605
CLV
SWITCH
G8)
(y
(-
oom
H€
+8
(1C301)
iC45'
0
PWM
POWER
SUPPLY
nN
oO
S
@)
Vv
CONT
Q450,Q452
<
Na
>
°o
@)
(veer
(&)
ON/OFF
SWITCH
Q453
SWITCH
Q462,463
OSs
P
OMnsebd”®
+3.4V
Vv
REG
Q407
V
REG
Q430,0416
SWITCH
Q416
D408
CONV CONV
hd
REG
CONT
REG
CONT
Q406
Q405
Q461
Q464
|
Pioas
D459
SWITCH
SWITCH SWITCH
V
REG
V
REG
SWITCH
Q451
Q456
Q457
|
|
Q4I7
Q431
Q409
4!
_
a
ons
V_
REG
Q4i8
BP-2
aL
BATT
1C504
PWM
D
Dc-DC
RIVERS
CONVERTER
FOCUS
COIL
=)
TRACKING
coil
M901
SPINDL
MOTOR
M902
SLED
MOTOR
0417
oe
@)
CONVERTER
3404
@
SWITCH
T
Q801
z
1¢601
DIGITAL
SIGNAL
PROCESSER
1_|
iC802
RIPPLE
FILTER
0304,
305
|
V
DET
Qs0s
08isS
>
|
>
VOL
CONTROL
V
DET
Q427~429
Q420
+3.4V
V
DET
Q811
BATT
LEVEL
DET
a
p>
D803
ao
SWITCH
Q806
MUTE
Q807
SWITCH
0426
PLAY
hy
Mone
—O
oO
KEY
J302(1/2)
MODE
PHONES
oh
pp
OO
$808-|
ae,
|
+
Oo
oO—
[HOLD]
ON
OFF
oO
1
*
aL
>t
Oo
O-
L
oS
REMAIN
ial
vop
68)
(1)
DIRECTION
24
(5)
sack
A
(2)
LATCH
(6)
DATA
6s
r
SWITCH
Q803
ND801
tcp
1¢801
SYSTEM
CONTROL
XTAL
(0)
(5)
sToP
EXTAL
@1)
(9)
K
REM
S$
DOOR
(21)
RESET
1€804,Q809
me
x3801
$901
Y
SWiTCH
aso4
B+
D816~821
tq
82
LCO
BACK
LIGHT
J801
TS

Related product manuals