EasyManua.ls Logo

Sony D-E700 - Page 15

Sony D-E700
30 pages
Print Icon
To Next Page IconTo Next Page
To Next Page IconTo Next Page
To Previous Page IconTo Previous Page
To Previous Page IconTo Previous Page
Loading...
– 25 –
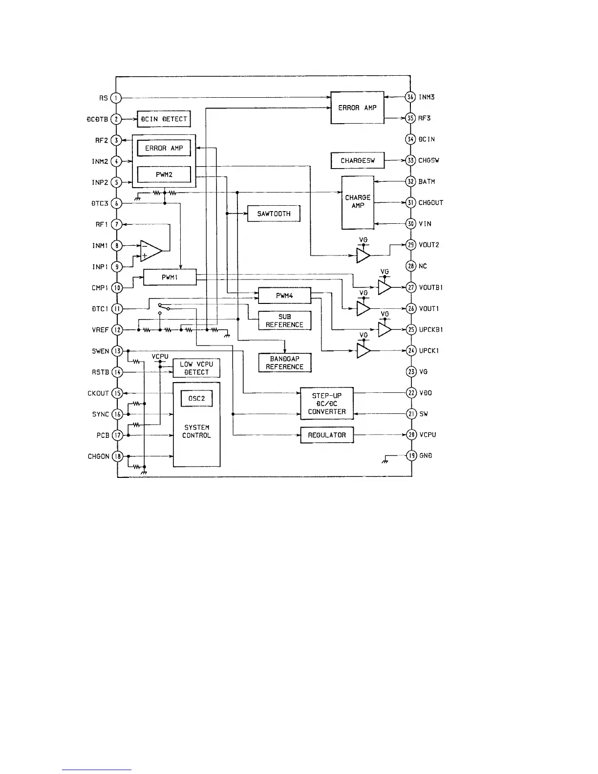
IC401 MPC18A26VMEL

Other manuals for Sony D-E700

Related product manuals