EasyManua.ls Logo

Sony D-E700 - Block Diagram

Sony D-E700
30 pages
Print Icon
To Next Page IconTo Next Page
To Next Page IconTo Next Page
To Previous Page IconTo Previous Page
To Previous Page IconTo Previous Page
Loading...
– 24 –
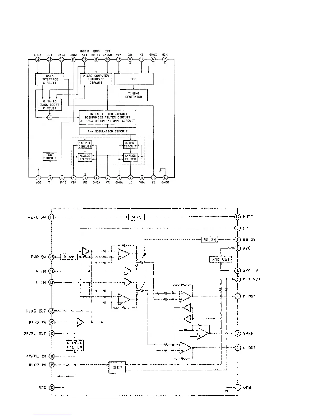
• IC Block Diagrams
IC301 TC9438FNEL
IC302 BA3574BFS

Other manuals for Sony D-E700

Related product manuals