EasyManua.ls Logo

Sony D-E700 - Page 17

Sony D-E700
30 pages
Print Icon
To Next Page IconTo Next Page
To Next Page IconTo Next Page
To Previous Page IconTo Previous Page
To Previous Page IconTo Previous Page
Loading...
– 27 –
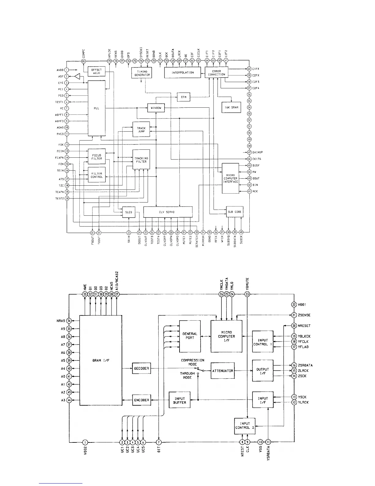
IC502 BU9325KS
IC601 SM5902AF

Other manuals for Sony D-E700

Related product manuals