EasyManua.ls Logo

Sony D-V8000 - Page 33

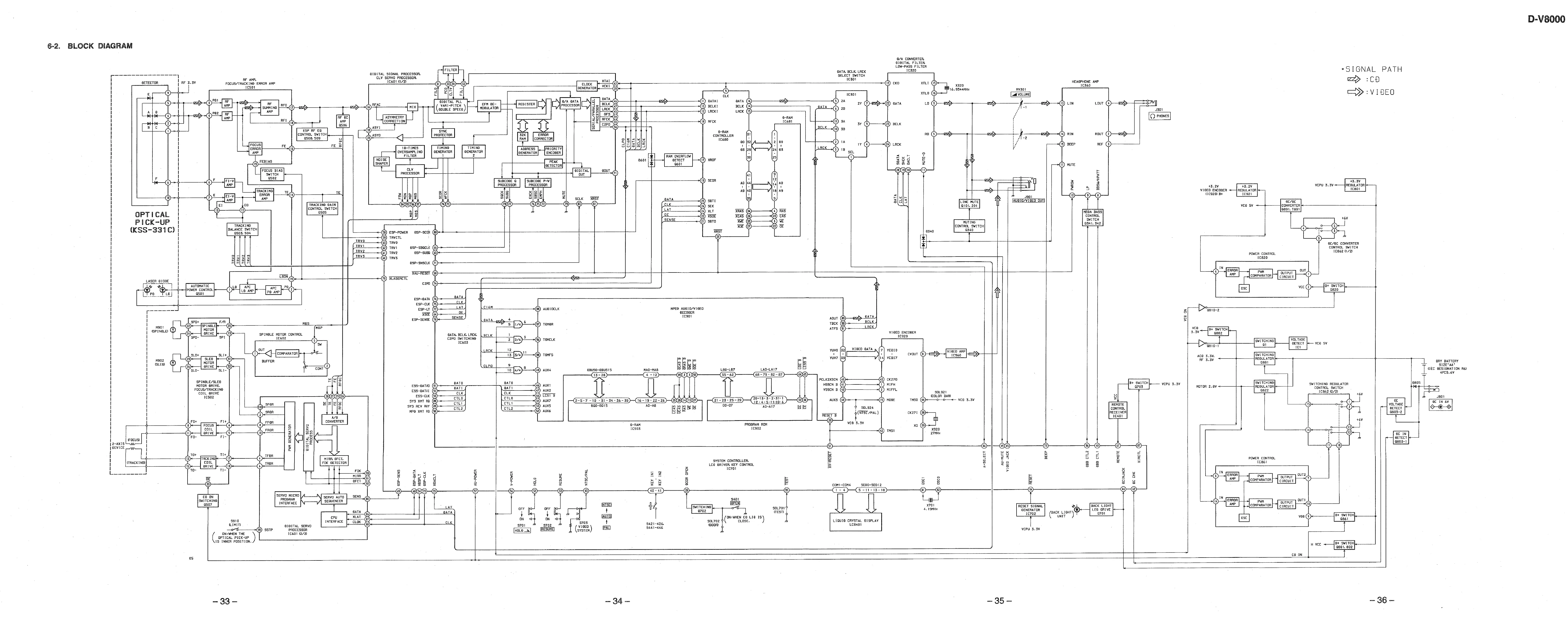
Sony D-V8000
78 pages
Print Icon
To Next Page IconTo Next Page
To Next Page IconTo Next Page
To Previous Page IconTo Previous Page
To Previous Page IconTo Previous Page
Loading...