EasyManua.ls Logo

Sony ECM-939LT - Circuit Diagrams; Schematic Diagram; Semiconductor Lead Layouts

Sony ECM-939LT
6 pages
Print Icon
To Next Page IconTo Next Page
To Next Page IconTo Next Page
To Previous Page IconTo Previous Page
To Previous Page IconTo Previous Page
Loading...
ECM-939LT
|
A
B
C
:
D
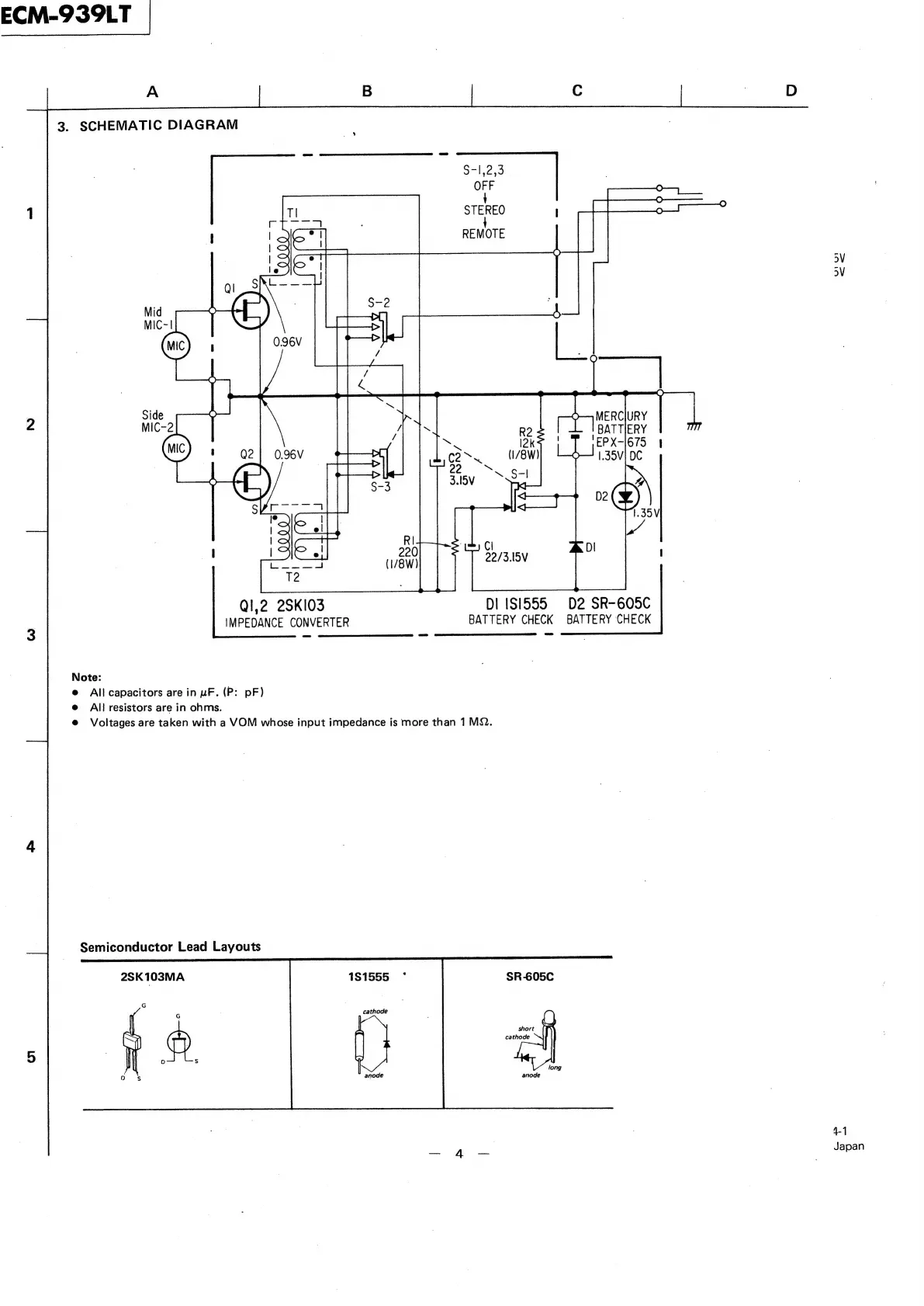
3.
SCHEMATIC
DIAGRAM
o-he30
a
1
ce
heed
I
REMOTE
1
5V
9V
Mid
O
MIC-|
(wie)
|
+
:
O
9
Side
o—
MERCIURY
it
MIC-2
BATTIERY
(Mic)
EPX-|675
|
[.35V}
DC
t
D2
(¥)
|.
35V
e
|
|
1
Seay
ol
TE
pS
o
)
=
SS
(/8W)
22/3.15V
T2
QI,2
2SKI03
DI
1SI555
D2
SR-605C
IMPEDANCE
CONVERTER
BATTERY
CHECK
BATTERY
CHECK
3
=
—_
2
Note:
@
All
capacitors
are
in
uF.
(P:
pF)
e
All
resistors
are
in
ohms.
e
Voltages
are
taken
with
a
VOM
whose
input
impedance
is
more
than
1
M22.
4
Semiconductor
Lead
Layouts
2SK103MA
181555
SR-605C
:
G
.
cathode
‘a
short
cathode
5
|
:
s
4-4
ae
a
|
Japan

Related product manuals