EasyManua.ls Logo

Sony HCD-H66 - Page 43

Sony HCD-H66
71 pages
Print Icon
To Next Page IconTo Next Page
To Next Page IconTo Next Page
To Previous Page IconTo Previous Page
To Previous Page IconTo Previous Page
Loading...
oe
nme
erent
tc
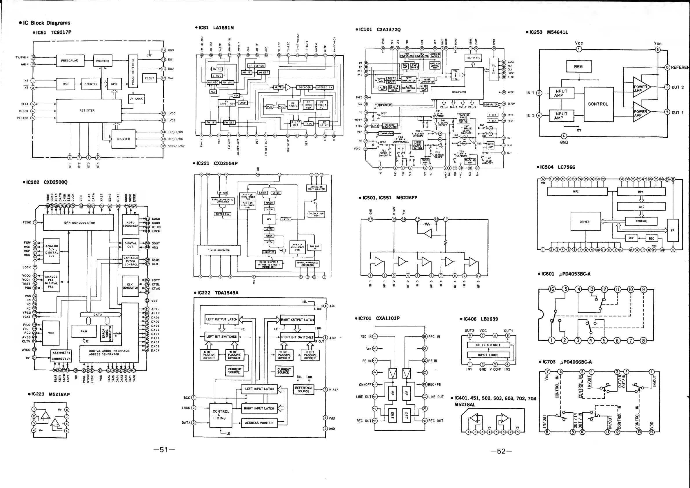
e@IC
Block
Diagrams
e1C51
1C9217P
PRESCALAR
COUNTER
COUNTER
[J
RES!STER
PERIOD
(2)
-
N
Mm
vt
im
im EE
i
° °
°
°
©1C202
CXD2500Q
x«oo0°0z27zx
et
od
an wh
xox
exrFrizog
a
«<*§
HH
2
F&F
GAS
FOXGSas
S
xS
KF
HF
F
BRS
Teta
ee
7
oh
FCOK
DEMOOULATOR
Pitch
[><
CONTROL
DIGITAL
69)
i
VARIABLE
ml
67
vss
APTL
APTR
9
0A01
9
DA02
0A03
OA04
5)
DA06
DAO0S
Y
DAO?
DaA08
DAO?
DIGITAL
AUDIO
INTERFACE,
ADRESS
GENERATOR
eiC81
LA1851N
AM-RF-IN
AM-MIX
TU-LED
()
TU-ST-RESET
(S$)
FM-SD-ADJ
(8)
ST-LED
G)
|
F-BUFF
()
AM/FM
MUTE
G)
AM-SD-ADJ
()
AM-1F
@)
Gno
@)
acc
IF
BUFFER
"H-(aroer]
>
FF
FF
FF
19KHz
eae
te
Ee
Lea
TRIG
3]
LE
O—®
b
&
VCO-STOP
LT
ATTENATOR
(9B1T
COUNTER)
RAM FOR
43TH-ORDER
TIMING
GENERATOR
8
Es
@1C222
TDA1543A
LEFT
OUTPUT
LATCH
LEFT
BIT
SWITCHES
5
BIT
.
1
BIT
1
BIT
6
BIT
PASSIVE PASSIVE
PASSIVE
PASSIVE
DIVIDER
LE
DIVIDER
DIVIDER
DIVIDER
SOURCE
e1C101
CXA1372Q
©1501,
1C551
M5226FP
8
>
(04
(G)
BIAS
2
z
2
.
(6)
©1C701
CXA1101P
e1C253
M54641L
mi
OL
at
INPUT
AMP
CONTROL
IN
2)
e1C504
LC7566
ORIVER
eIC406
LB1639
OUT2
vcc
ouT1
|
ORIVE
ciRcUIT
CIRCUIT
SoG
Oe)
IN4
GND
V
CONT
IN2
my
a
>
CONTROL
IN
©1C401,
451,
502, 503,
603, 702,
704
M5218AL