EasyManua.ls Logo

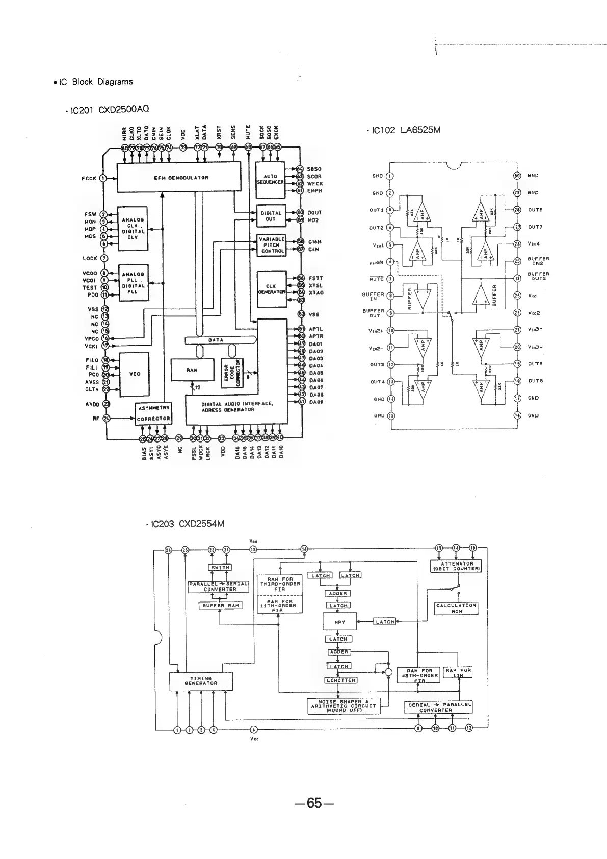
Sony HCD-H700 - IC Block Diagrams; IC201 CXD2500 AQ; IC102 LA6525 M; IC203 CXD2554 M

Sony HCD-H700
91 pages
Print Icon
To Next Page IconTo Next Page
To Next Page IconTo Next Page
To Previous Page IconTo Previous Page
To Previous Page IconTo Previous Page
Loading...
eC
Block
Diagrams
-1C201
CXD2500AQ
vo
(S)
SENS
MUTE
sock
66)
SBSO
EFM
OEMODULATOR
63)
SCOR
WFCK
EMPH
DIGITAL
69
DOUT
out
6}
MO2
DIGITAL
VARIABLE
63
c16m
PitcH
[|
|
>
CONTROL
67)
CAM
FSTT
5
xTSt
xTAo
9
vSS
APTL
APTR
Oa01
DAO2
0a03
9
DAS
)
DAS
DA0S
0a07
DAce
DIGITAL
AUDIO
INTERFACE,
DAO?
ADRESS
GENERATOR
*1C203
CXD2554M
oe
ee
-1C102
LA6525M
GND
6NO
oll
ouT2
OF
Vint
G9
res
(6)
MUT
mi
©)
F
SUFFER
(8)
BUFFER
BUFFER
QUT
Vin2+
Vin2—
ouT3
BUFFER
@)—e)—-@--®)
©)
L_oet4660-0$4
RAM
FOR
THIRD-ORDER
RAM
FOR
41TH-ORDER
FIA
BUFFER
RAM
LATCH
TIMING
GENERATOR
LIMITTEAR
RAM
FOR
43TH-ORDER
ATTENATOR
(9BIT
COUNTER)
CALCULATION
ROM
RAM
FOR
4148
(ROUND
OFF)
NOISE_SHAPER
&
ARITHMETIC
CIRCUIT
SERIAL
>
PARALLEL
CONVERTER
—65—
(3)
oO
G2)
GND
GNO
outa
OUT7
Vin4
BUFFER
IN2
BUFFER
ouT2
Vee
Vec2
Vin3t
Vind
-
OuTE

Related product manuals